手机版
二维码
欢迎访问昌林自动化官方网站!
了解产品
品牌站
搜索
首页
了解产品
资讯动态
品牌站
下载中心
首页
>
了解产品
>
油泵 齿轮泵 组合泵
>
叶片泵及泵组
>
叶片泵
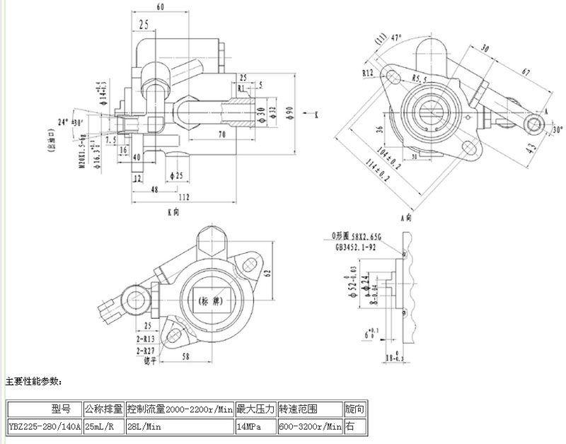
YBZ225-280/140A,叶片泵
点击图片查看原图
型号:
YBZ225-280/140A,
PDF下载:
如需产品详细说明请与销售客服联系
浏览次数:
551
公司基本资料信息
联系人
销售员 1506(先生)
电话
13861877712
地区
江苏-无锡市
地址
无锡市会北路28-135
详细说明
YBZ225-280/140A,叶片泵
更多
>
本企业其它产品
YBZ510B-100/100L,叶
CBJ-A24X,回油泵
CBJ26-D18,齿轮泵
CBJ26-E16,齿轮泵
CBJ30-A16-K,齿轮泵
CBJ27-A8,齿轮泵
CBJ30-E6-W5B,齿轮泵
CBJ30-E12L-W1H,齿轮
0
条
相关评论