手机版
二维码
欢迎访问昌林自动化官方网站!
了解产品
品牌站
搜索
首页
了解产品
资讯动态
品牌站
下载中心
首页
>
了解产品
>
气动辅助元件
>
气源处理元件
>
调压阀
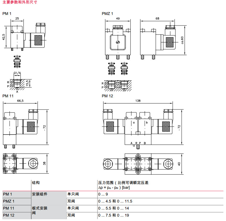
PM1-11B0.6-G24,PMZ1-11B0.6-G24,PM11-11B0.6-G24,PM12-11B0.6-G24,小型比例调压阀
点击图片查看原图
型号:
PM1-11B0.6-G24,PMZ1-11B0.6-G24,PM11-11B0.6-G24,PM12-11B0.6-G24
PDF下载:
如需产品详细说明请与销售客服联系
浏览次数:
497
公司基本资料信息
联系人
销售员 1510(先生)
电话
13861877712
地区
江苏-无锡市
地址
无锡市会北路28-135
详细说明
PM1-11B0.6-G24,PMZ1-11B0.6-G24,PM11-11B0.6-G24,PM12-11B0.6-G24,小型比例调压阀
更多
>
本企业其它产品
AC13-1/4,ACS13-1/4,A
F25-12,F32-16,F40-20
LB1C0.5-25,LB4F1.0-2
V60N-060LSFN-1,V60N-
V30E-095LSFN-1,V30E-
K60N-012LDN,K60N-017
V30D-045LSFN-1,V30D-
M60N-012BSBN/4,M60N-
0
条
相关评论