手机版
二维码
欢迎访问昌林自动化官方网站!
了解产品
品牌站
搜索
首页
了解产品
资讯动态
品牌站
下载中心
首页
>
了解产品
>
仪器仪表 自动化
>
压力与隔离及控制
>
变送器
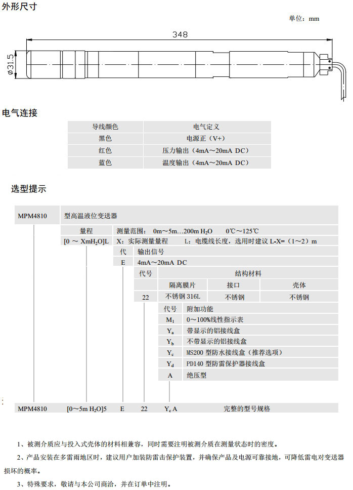
MPM4810-0,MPM4810-5,高温液位变送器
点击图片查看原图
型号:
MPM4810-0,MPM4810-5
PDF下载:
如需产品详细说明请与销售客服联系
浏览次数:
625
公司基本资料信息
联系人
销售员 1491(先生)
电话
13861877712
地区
江苏-无锡市
地址
无锡市会北路28-135
详细说明
MPM4810-0,MPM4810-5,高温液位变送器
更多
>
本企业其它产品
MPM426W-1,MPM426W-2,
MPM316W,压阻式液位传
MPM4700-3.5,MPM4700-
MPM416W-1,MPM416W-2,
MPM489W-1,MPM489W-2,
MDM4951DP-3E,MDM4951
MDM4951DPU-4E,MDM495
MDM4951LT-4E,MDM4951
0
条
相关评论