KH-804型差压变送器选型使用说明
一、概述KH-804型压力变送器由进口微小量程,高稳定性能传感器和高可靠性信号处理IC电路构成,有更好的抗干电磁干扰和浪涌电流能力。
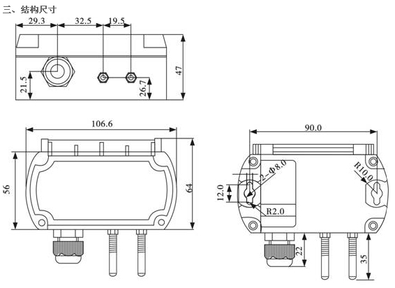
二、技术指标
l 量程范围:0-100Pa~100KPa; -100~0KPa
l 测压形式:表压(G)、负压(N)、差压(C)
l 补偿温度:-10~70℃ 工作温度:-20~85℃
l 综合精度:0.1%、0.25%、0.5%、1%
l 输出选择:4~20mA、0~10mA、1~5V、0~5VDC
l 电源电压:15VDC、24VDC
l 测量介质:无腐蚀性气体



