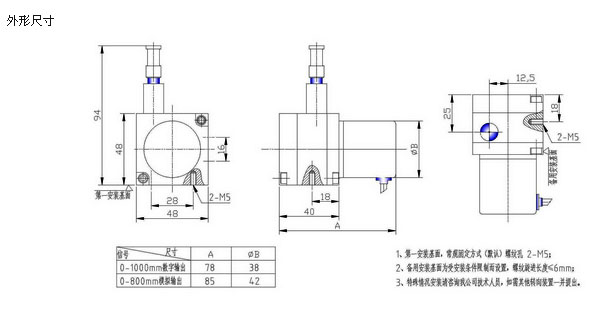
特点与用途
该传感器属于微型拉线(绳)位移传感器,用来记录测量长度0~1000mm的线性距离、模拟量型和数字量型输出,标准化接口,可以坚固耐用特别适合短距离,高分辨率的场合,主要特点:安装方便,设有备用安装基准面,根据需要多种选择;安装空间小,安装难度低;无需导向。机械公差不影响测量精度;广泛应用于直线导轨系统,液压气缸系统、伸缩系统,仓储位置定位,压力机械。造纸机械,纺织机械、金属板材机械、印刷机械、水平控制仪、建筑机械等相关尺寸测量和位置控制;可外接PLC二次仪表,单片机等采集系统。

| 类别 | 技术参数 | |
| 信号输出形式 | 数字量型输出 P G | 模拟量型输出 V/MA/R G |
| 输出特性 | TL方液 | 电压(V):0~5V、0~10V、1~5V |
| 并行输出、串行输出、ssi接口、总线、profibus、CanOpen | 电流(mA):4~20mA、0~20mA | |
| RS485 | 电阻(R):0~5KΩ、0~10KΩ、其它 | |
| 供电电压 | DC5V、 DC5~24V | DC12V 、DC24V |
| 测量行程 | 0~1000mm | 0~800mm |
| 最大往复速度 | 1000 | 1000 |
| 分辨力 | 0.008、0.01、0.02、0.04等其它 | 本质无穷小 |
| 线径规格 | Ф0.6 | Ф0.6 |
| 线性精度 | 0.05%F·S | 0.1%F·S |
| 拉线材料 | 不锈钢 | 不锈钢 |
| 工作拉力 | 约5N | 约5N |
| 工作温度 | -25~+85℃ | -25℃~+85℃ |
| 存储温度 | -35~+95℃ | -35℃~+95℃ |
| 重量 | 500g | 500g |
| 使用寿命 | >1×10的6次 | >1×10的6次 |
| 防护等级 | IP54(标准)或定制 | IP54(标准)或定制 |


