手机版
二维码
欢迎访问昌林自动化官方网站!
了解产品
品牌站
搜索
首页
了解产品
资讯动态
品牌站
下载中心
首页
>
了解产品
>
油泵 齿轮泵 组合泵
>
液压马达/气动马达
>
柱塞式马达
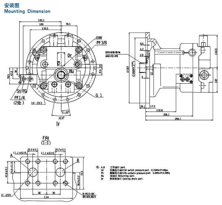
MF151KF1,柱塞定量马达
点击图片查看原图
型号:
MF151KF1,
PDF下载:
如需产品详细说明请与销售客服联系
浏览次数:
396
公司基本资料信息
联系人
销售员 1503(先生)
电话
13861877712
地区
江苏-无锡市
地址
无锡市会北路28-135
详细说明
MF151KF1,柱塞定量马达
更多
>
本企业其它产品
LL2FM90,斜轴式轴向柱
AKE125EX-8WP1,柱塞定
AKE107EV-2WP1-V1300S
L11VLO190,液压变量泵
L4VTG90HW/32R-NLD10F
LL2FM80,斜轴式轴向柱
L2FE160,液压定量马达
L8V0140,液压变量双泵
0
条
相关评论