一、特点:
QGD系列薄型气缸为单作用和双作用两种。单作用气缸采用弹簧复位结构,该系列气缸轴向尺寸小,结构简单,内部采用国际先进的结构,使该系列产品更加完美,主要适用于短行程夹具的夹紧工作。
二、型号说明:
三 、技术参数:
气缸内径 (Ф) |
16 | 20 | 25 | 32 | 40 | 50 | 16 | 20 | 25 | 32 | 40 | 50 | 63 | 80 | 100 |
气缸种类 | 单作用(弹簧复位) | 双作用 | |||||||||||||
最大行程(mm) | 10 | 20 | 40 | 50 | 80 | ||||||||||
使用介质 | 洁净压缩空气 | ||||||||||||||
耐压力〔MPa) | 1.5 | ||||||||||||||
最高使用压力(MPa) | 0.99 | ||||||||||||||
环境介质温度(℃) | -10--+70 | ||||||||||||||
杆端螺纹 | 内螺纹 | ||||||||||||||
缓冲 | 不可缓冲 | ||||||||||||||
给油 | 不需要(给油亦可) | ||||||||||||||
行程公差(mm) |
+1.0 0 |
||||||||||||||
接管螺丝 | M5 | M5 | M1/8 | M1/8 | M1/8 | M1/8 | M5 | M5 | M1/8 | M1/8 | M1/8 | M1/8 | M1/8 | M1/4 | M1/4 |
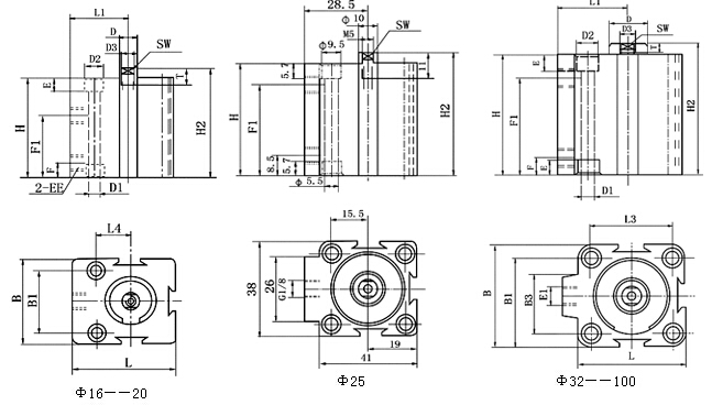
四、外形及安装尺寸:

缸径 (Ф) |
B | B1 | B3 | D(Ф) | D1(Ф) | D2(Ф) | D3 | E1 | E | F | L | L1 | L3 | L4 | SW | T |
16 | 28 | 18 | - | 6 | 4.5 | 8 | M4 | M5 | 4.6 | 5 | 34 | 20 | - | 12 | 6 | 6 |
20 | 32 | 20 | - | 10 | 5.5 | 9.5 | M5 | M5 | 5.7 | 6 | 40 | 24 | - | 15 | 8 | 8 |
25 | - | - | - | - | - | - | - | - | - | - | - | - | - | - | - | - |
32 | 45 | 32 | 26 | 16 | 5.5 | 9.5 | M6 | G1/8 | 5.7 | 8.5 | 48 | 29 | 36 | - | 14 | 12 |
40 | 55 | 42 | 28 | 16 | 5.5 | 10 | M6 | G1/8 | 5.7 | 14.5 | 55 | 33.5 | 42 | - | 14 | 12 |
50 | 65 | 50 | 28 | 20 | 6.6 | 11 | M8 | G1/8 | 6.8 | 15 | 65 | 38.5 | 50 | - | 18 | 12 |
63 | 80 | 62 | 28 | 20 | 9 | 15 | M8 | G1/8 | 9 | 16.5 | 80 | 45.5 | 62 | - | 18 | 14 |
80 | 100 | 82 | 30 | 25 | 9 | 15 | M10 | G1/4 | 10 | 19 | 100 | 58 | 82 | - | 22 | 16 |
100 | 124 | 103 | 30 | 25 | 11 | 17.5 | M12 | G1/4 | 16.5 | 21.5 | 124 | 68 | 103 | - | 22 | 20 |