流量范围: 0-470L/H
压力范围: 0-500 Bar
电机: 550W, 750W, 220V / 380V / 400V, 50/60Hz
驱动系统:两相、三相电机或防爆电机
流量控制:手动控制, 自动控制(接收4-20mA 信号)
防护等级: IP55
J-Z柱塞式计量泵材料
泵头: SUS304, SUS316,SUS304+PTFE,SUS316+PTFE
隔膜: PTFE
单向阀: SUS304, SUS316, PVC, PTEF
阀球: 氧化锆, SUS304, SUS316, 陶瓷, 二氧化硅
J-Z柱塞式计量泵工作条件
环境温度: -30℃ --- 90℃
特点
柱塞泵使用的排出压力范围比较广泛,且宜制成高压泵
结构简单,维修方便,价格具有竞争优势
柱塞直径很小,通常在3-200mm.
使用绝缘,冷却或加热泵缸控制介质温度。
应用
广泛应用于化工、石油化工、电力、医药、采矿、造船、轻工、农业、国防等领域
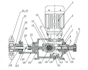
J-Z柱塞式计量泵结构图

序号 |
零件名称 |
序号 |
零件名称 |
序号 |
零件名称 |
序号 |
零件名称 |
1 |
箱体 |
9 |
调节顶杆 |
17 |
偏心轮 |
25 |
泵头 |
2 |
电机连接头 |
10 |
调节杆 |
18 |
健 |
26 |
单向阀 |
3 |
电机 |
11 |
密封件 |
19 |
顶杆 |
27 |
接管阀 |
4 |
密封件 |
12 |
蜗杆 |
20 |
泵头联节头 |
28 |
填料 |
5 |
健 |
13 |
轴承 |
21 |
密封件 |
29 |
柱塞 |
6 |
调节器 |
14 |
调节螺丝 |
22 |
柱塞压紧帽 |
30 |
泵头压板 |
7 |
手轮 |
15 |
主轴 |
23 |
填料压紧帽 |
31 |
轴承垫板 |
8 |
紧定螺丝钉 |
16 |
滚轮 |
24 |
螺丝 |
J-Z型柱塞式计量泵性能参数
型号 |
流量 |
压力 |
柱塞直径 |
行程 |
冲次 |
电机功率 |
进出口径 |
重量 |
L/H |
MPA |
mm |
mm |
min-1 |
kw |
mm |
kg |
|
J-Z6/40 |
6 |
40 |
8 |
25 |
96 |
0.75 |
6 |
45 |
J-Z6/32 |
6 |
32 |
0.55 |
|||||
J-Z10/25 |
10 |
25 |
10 |
0.75 |
||||
J-Z10/20 |
10 |
20 |
0.55 |
|||||
J-Z15/20 |
15 |
20 |
12 |
0.75 |
||||
J-Z15/15 |
15 |
15 |
0.55 |
|||||
J-Z25/10 |
25 |
10 |
16 |
0.75 |
||||
J-Z25/8.0 |
25 |
8.0 |
0.55 |
|||||
J-Z40/6.3 |
40 |
6.3 |
20 |
0.75 |
||||
J-Z40/5.4 |
40 |
5.4 |
0.55 |
|||||
J-Z65/4.5 |
65 |
4.5 |
25 |
0.75 |
10 |
45 |
||
J-Z65/3.5 |
65 |
3.5 |
0.55 |
|||||
J-Z80/3.6 |
80 |
3.6 |
28 |
0.75 |
||||
J-Z80/2.8 |
80 |
2.8 |
0.55 |
|||||
J-Z110/2.8 |
110 |
2.8 |
32 |
0.75 |
||||
J-Z110/2.0 |
110 |
2.0 |
0.55 |
|||||
J-Z130/2.3 |
130 |
2.3 |
35 |
0.75 |
||||
J-Z130/1.7 |
130 |
1.7 |
0.55 |
|||||
J-Z160/2.0 |
160 |
2.0 |
38 |
0.75 |
15 |
50 |
||
J-Z160/1.5 |
160 |
1.5 |
0.55 |
|||||
J-Z190/1.6 |
190 |
1.6 |
42 |
0.75 |
||||
J-Z190/1.2 |
190 |
1.2 |
0.55 |
|||||
J-Z270/1.1 |
270 |
1.1 |
50 |
0.75 |
||||
J-Z270/0.8 |
270 |
0.8 |
0.55 |
|||||
J-Z330/0.9 |
330 |
0.9 |
55 |
0.75 |
||||
J-Z330/0.6 |
330 |
0.6 |
0.55 |
|||||
J-Z400/0.8 |
400 |
0.8 |
60 |
0.75 |
||||
J-Z400/0.5 |
400 |
0.5 |
0.55 |
|||||
J-Z470/0.6 |
470 |
0.6 |
65 |
0.75 |
||||
J-Z470/0.4 |
470 |
0.4 |
0.55 |
J-Z130/1.7,J-Z160/2.0,J-Z160/1.5,J-Z190/1.6,J-Z190/1.2,J-Z270/1.1,J-Z270/0.8,
J-Z330/0.9,J-Z330/0.6,J-Z400/0.8,J-Z400/0.5,J-Z470/0.6,J-Z470/0.4,