手机版
二维码
欢迎访问昌林自动化官方网站!
了解产品
品牌站
搜索
首页
了解产品
资讯动态
品牌站
下载中心
首页
>
了解产品
>
油泵 齿轮泵 组合泵
>
其他泵类
>
化工泵
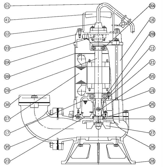
F-32U,HCP PUMP泛用污物泵浦
点击图片查看原图
型号:
F-32U,
PDF下载:
如需产品详细说明请与销售客服联系
浏览次数:
497
公司基本资料信息
联系人
销售员 1558(先生)
电话
13861877712
地区
江苏-无锡市
地址
无锡市会北路28-135
详细说明
F-32U,HCP PUMP泛用污物泵浦
更多
>
本企业其它产品
50AFU2.4L,50AFU2.8L,
80AFU21.5,80AFU22.2,
50AFU2.4,50AFU2.8,HC
80AFU23.7,HCP PUMP污
50AFU4.4,50AFU4.8,HC
80AFU41.5,HCP PUMP污
80AFU42.2,80AFU43.7,
80AFP21.5,80AFP22.2,
0
条
相关评论