手机版
二维码
欢迎访问昌林自动化官方网站!
了解产品
品牌站
搜索
首页
了解产品
资讯动态
品牌站
下载中心
首页
>
了解产品
>
执行元件 液压缸
>
其他气缸
>
回转夹紧缸
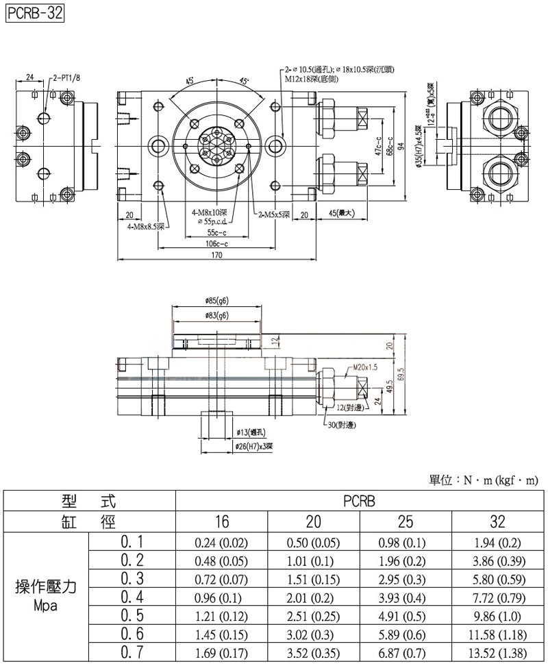
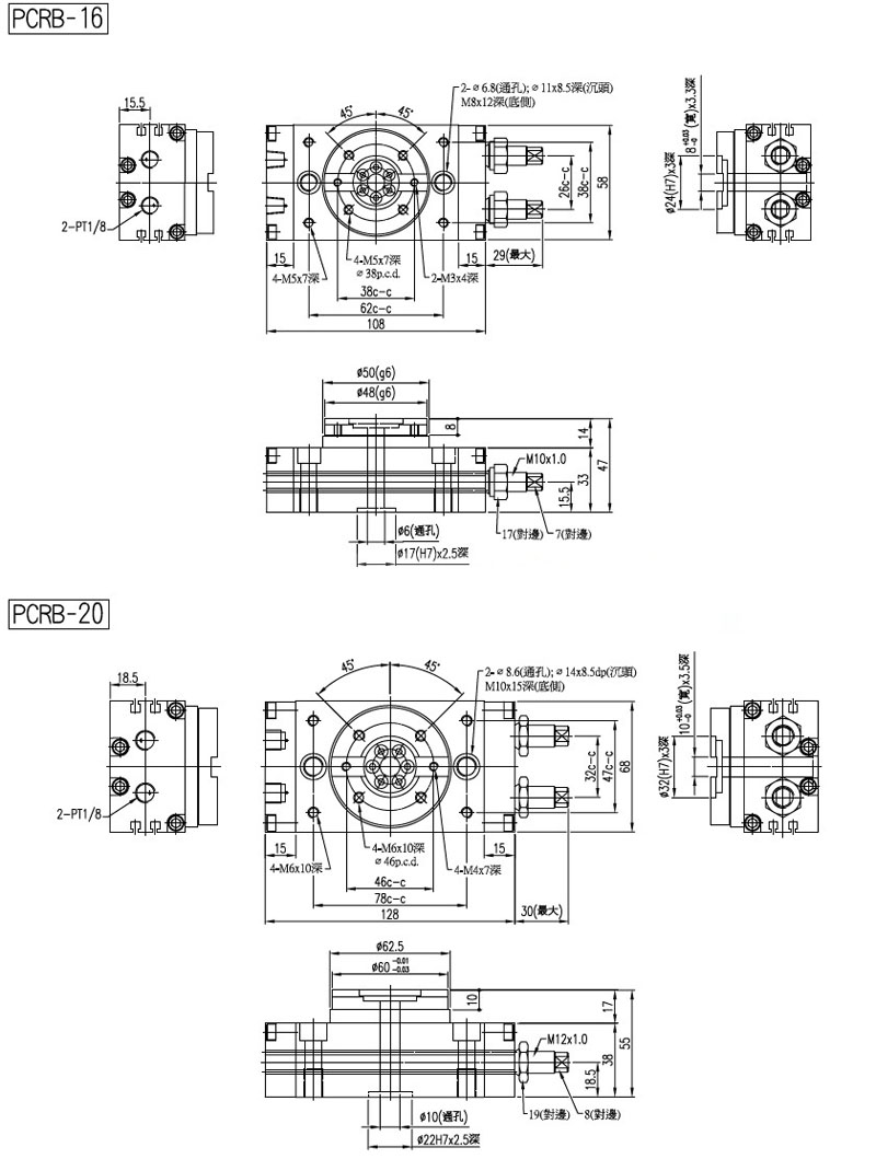
PCRB-16,PCRB-20,PCRB-25,PCRB-32,panix旋转气压缸
点击图片查看原图
型号:
PCRB-16,PCRB-20,PCRB-25,PCRB-32,panix旋转气压缸
PDF下载:
如需产品详细说明请与销售客服联系
浏览次数:
527
公司基本资料信息
联系人
销售员 1586(先生)
电话
13861877712
地区
江苏-无锡市
地址
无锡市会北路28-135
详细说明
PCRB-16,PCRB-20,PCRB-25,PCRB-32,panix旋转气压缸
PCRB-16-S-2,PCRB-20-S-2,PCRB-25-S-2,PCRB-32-S-2,
更多
>
本企业其它产品
850-02-E,850-02-A,85
100-AA,100-AB,100-AC
700-BA,700-CA,700-BC
RS38MD,RS12MD,panix
PPV05-521,PPV05-522,
PSV05-521,PSV05-522,