GlQ-40,GlQ-50,GlQ-80,GlQ-100,GlQ-150,GlQ-200,GlQ-250,GlQ-300,GlQ-400,GlQ-500,GlQ-600,GlQ-800,气动高真空蝶阀
概述
GIQ气动高真空蝶阀,是气动单元组合仪表中的执行单元,它来自调节仪表的信号,改变介质的切断与流通,该产品操作力大,阀体设计新颖,流阻小,额定流量系数大,密封性能优良。因而广泛应用于石油、化工、轻纺、食品、泡塑等各工业部门的生产过程自动控制和远程控制交流中。
特点
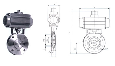
GIQ气动高真空蝶阀,是气动单元组合仪表中的执行单元,它来自调节仪表的信号,改变介质的切断与流通,该产品操作力大,阀体设计新颖,流阻小,额定流量系数大,密封性能优良。 GIQ气动高真空蝶阀结构图
工作原理
GIQ气动高真空蝶阀是由执行机构(气动、电动)与转角型蝶阀体二部份组成,中间由支架相连而成。以GIQ型为例:执行机构是由双气路气缸为主体,接受二位四通电磁阀控制输出的(0.4~0.6MPa)气源信号压力为动力,通过控制元件改变气流方向,执行气缸驱动蝶阀作启闭运动。GIQ气动高真空蝶阀根据不同的材质,及不同的执行机构分类,适用于-25~200℃的介质,阀体由碳素钢(镀镍)、不锈钢及合金钢等。

要性能规范
| 公称通径 |
45 |
50 |
65 |
80 |
100 |
125 |
150 |
200 |
250 |
300 |
350 |
400 |
450 |
500 |
600 |
800 |
| 连接法兰 |
JB/T919 GB/6070 |
| 漏气速率 |
133.3×10-6 |
133.3×10-5 |
| 通导能力 |
48 |
97 |
178 |
260 |
546 |
938 |
1328 |
2611 |
3962 |
6159 |
8535 |
10912 |
13558 |
16202 |
22418 |
41357 |
| 气缸直径 |
50 |
63 |
80 |
100 |
125 |
| 适应范围 |
133.3×10-6~101×103 |
| 介质温度 |
-25~80 |
| 电磁换向阀电源电压及频率 |
220/50 |
| 电磁换向阀功率 |
10 |
| 气源压力 |
0.4~0.6 |
| 启闭时间 |
<3 |
| 开阀时,阀板两侧压力差 |
≤101 |
|
采用标准
| 设计制造 |
连接法兰 |
检验与试验 |
| JB/T4079 91 |
JB/T919 GB/T6070 |
JB/T1079 JB/T6446 |
主要零件材料
| 零件名称 |
阀体和蝶板 |
构件 |
密封垫(阀体、蝶板) |
| 材料 |
碳素钢(镀镍) |
2Cr13 |
丁腈橡胶 |
| 不锈钢 |
不锈钢 |
丁腈橡胶/氟橡胶 |
主要尺寸及重量
| 型号 |
公称通径 |
主要尺寸 |
重量 |
| D |
D1 |
h |
H |
H1 |
B |
Z-Фd |
| GlQ-40 |
40 |
70 |
85 |
20 |
109.5 |
51 |
91 |
4-Ф7 |
2 |
| GlQ-50 |
50 |
90 |
110 |
135 |
64 |
4-Ф9 |
3 |
| GlQ-80 |
80 |
125 |
145 |
30 |
284.5 |
92 |
136 |
4-Ф |
5.5 |
| GlQ-100 |
100 |
145 |
170 |
309 |
104 |
4-Ф12 |
6 |
| GlQ-150 |
150 |
195 |
220 |
35 |
366 |
136 |
164.6 |
8-Ф12 |
10 |
| GlQ-200 |
200 |
250 |
275 |
40 |
422.5 |
165 |
199 |
8-Ф12 |
16 |
| GlQ-250 |
250 |
300 |
330 |
45 |
482 |
197 |
8-Ф14 |
21 |
| GlQ-300 |
300 |
350 |
380 |
55 |
543 |
233 |
224.6 |
8-Ф14 |
30 |
| GlQ-400 |
400 |
465 |
500 |
60 |
686 |
293 |
253 |
8-Ф18 |
65 |
| GlQ-500 |
500 |
565 |
600 |
80 |
742 |
355 |
300 |
12-Ф18 |
95 |
| GlQ-600 |
600 |
670 |
710 |
100 |
912 |
428.5 |
330 |
12-Ф21 |
148 |
| GlQ-800 |
800 |
880 |
920 |
130 |
117 |
565 |
445 |
20-Ф21 |
220 |