手机版
二维码
欢迎访问昌林自动化官方网站!
了解产品
品牌站
搜索
首页
了解产品
资讯动态
品牌站
下载中心
首页
>
了解产品
>
液压元件 液压阀
>
方向控制阀
>
电磁换向阀
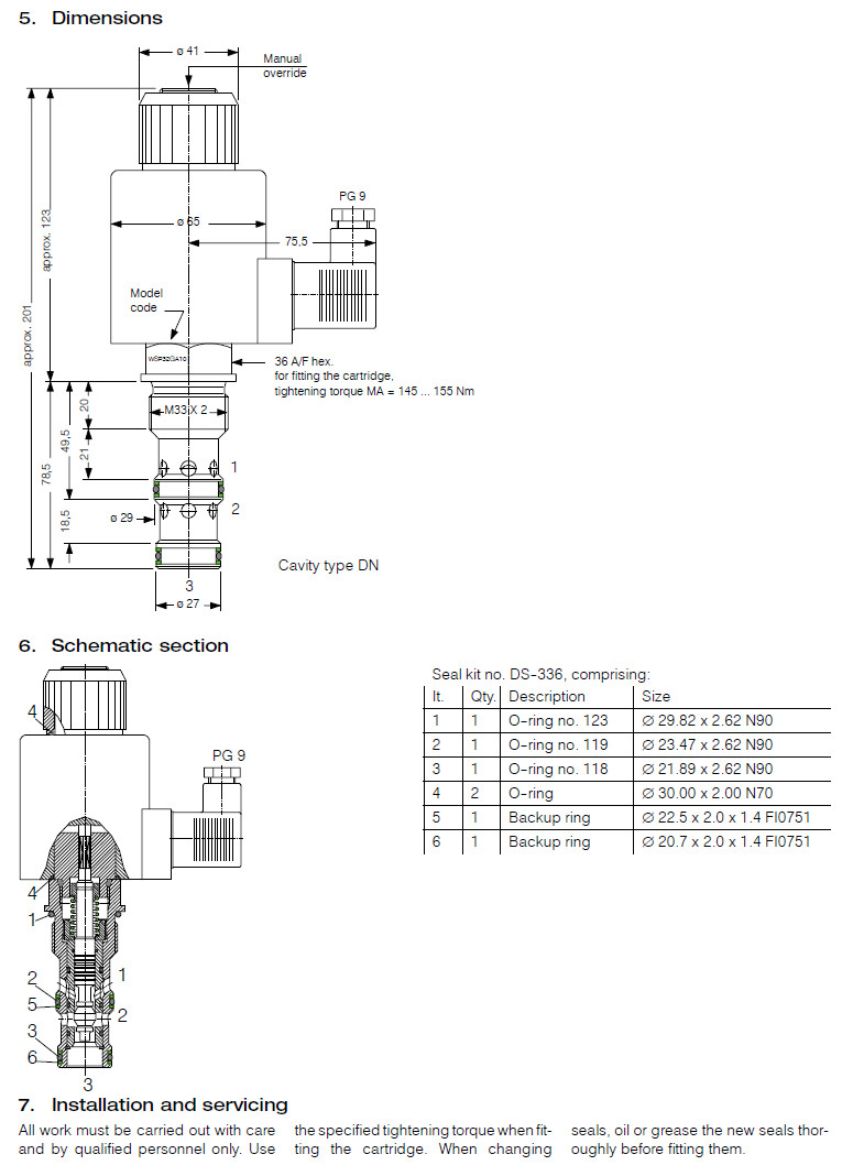
WSP32GA10-1,WSP32GA10V-1,Bucher方向阀
点击图片查看原图
型号:
WSP32GA10-1,WSP32GA10V-1
PDF下载:
如需产品详细说明请与销售客服联系
浏览次数:
316
公司基本资料信息
联系人
销售员 1579(先生)
电话
13861877712
地区
江苏-无锡市
地址
无锡市会北路28-135
详细说明
WSP32GA10-1,WSP32GA10V-1,Bucher方向阀
更多
>
本企业其它产品
AP212/4.5-D-287S-B,A
AP212/15-ED-887S-NPT
AP212/15-S259,AP212/
AP212/4.5-D-245,AP21
AP212/4.5,AP212/6.5,
AP212/4.5-D-880-FP,A
AP212/15-S-227-FP,AP
AP212/6.5-D-218-FP,A
0
条
相关评论