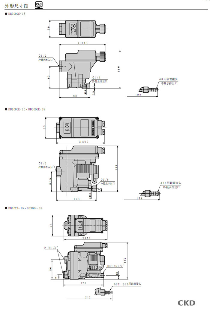
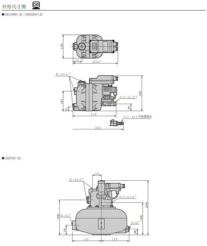
DB3002E-15,DB1006E-15,DB3006E-15,DB1024-15,DB3024-15,DB1090D-20,DB3090D-20,DB3700-20,CKD排水器



DB1090D-20-AC200V,DB3090D-20-AC200V,DB3700-20-AC200V,
|
公司基本资料信息
|
|||||||||||||||
DB3002E-15,DB1006E-15,DB3006E-15,DB1024-15,DB3024-15,DB1090D-20,DB3090D-20,DB3700-20,CKD排水器


