手机版
二维码
欢迎访问昌林自动化官方网站!
了解产品
品牌站
搜索
首页
了解产品
资讯动态
品牌站
下载中心
首页
>
了解产品
>
阀门 流体控制
>
阀门类
>
过滤器
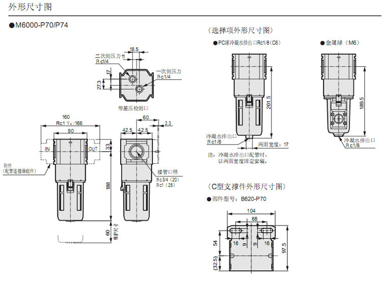
M3000-8,M3000-10,M4000-8,M4000-10,M4000-15,M6000-20,M6000-25,CKD油雾分离过滤器
点击图片查看原图
型号:
M3000-8,M3000-10,M4000-8,M4000-10,M4000-15,M6000-20,M6000-25,
PDF下载:
如需产品详细说明请与销售客服联系
浏览次数:
391
公司基本资料信息
联系人
销售员1439(女士)
电话
13861877712
地区
江苏-无锡市
地址
无锡市会北路28-135
详细说明
M3000-8,M3000-10,M4000-8,M4000-10,M4000-15,M6000-20,M6000-25,CKD油雾分离过滤器
更多
>
本企业其它产品
K25JD-8BW,K25JD-10BW
NSCF01,NSCF02,NSCF03
NSFB04,NSFB06,NSFB08
NSF04,NSF06,NSF08,NS
NSS04-G01(DC),NSS06-
NSS04-G01(D),NSS06-G
NSS04-G01,NSS06-G01,
NSC04-G01(DC),NSC06-
0
条
相关评论