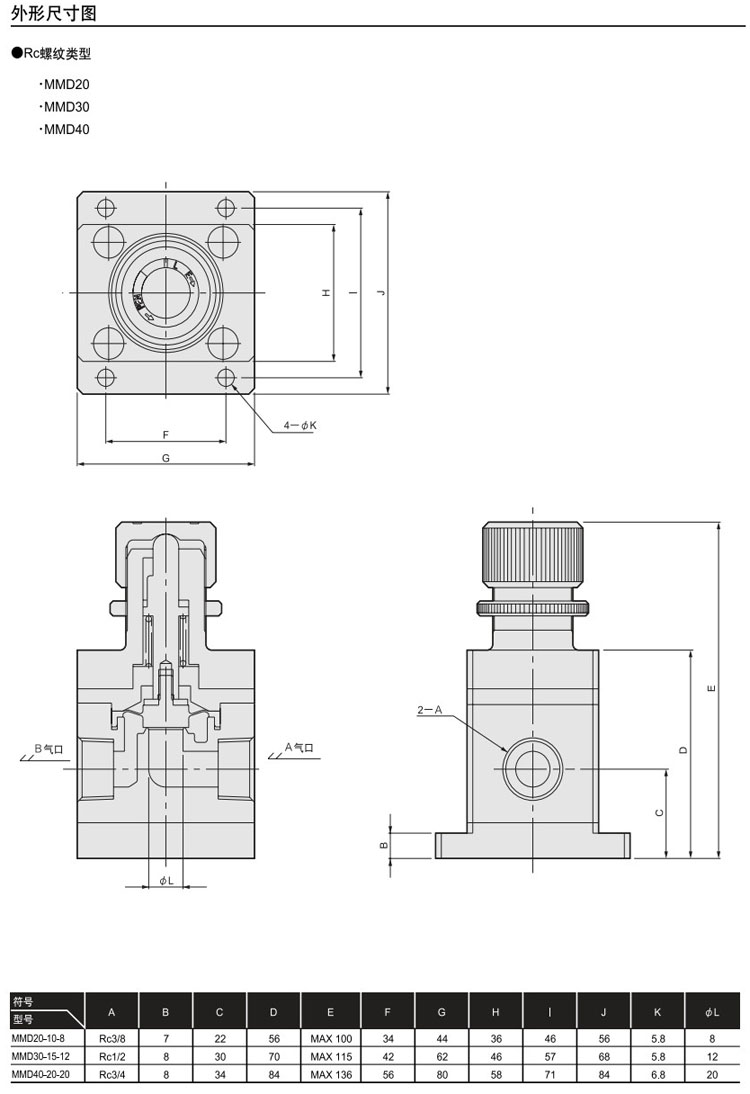
MMD20-10-8,MMD30-15-12,MMD40-20-20,MMD20-10US-8,MMD30-12US-10,MMD40-20BUS-16,CKD药液用手动阀




MMD30-12UF-10,MMD30-15BUF-10,MMD30-12UA-10,MMD30-15BUA-10,MMD40-20BUF-16,MMD40-20BUA-16,
|
公司基本资料信息
|
|||||||||||||||
MMD20-10-8,MMD30-15-12,MMD40-20-20,MMD20-10US-8,MMD30-12US-10,MMD40-20BUS-16,CKD药液用手动阀



