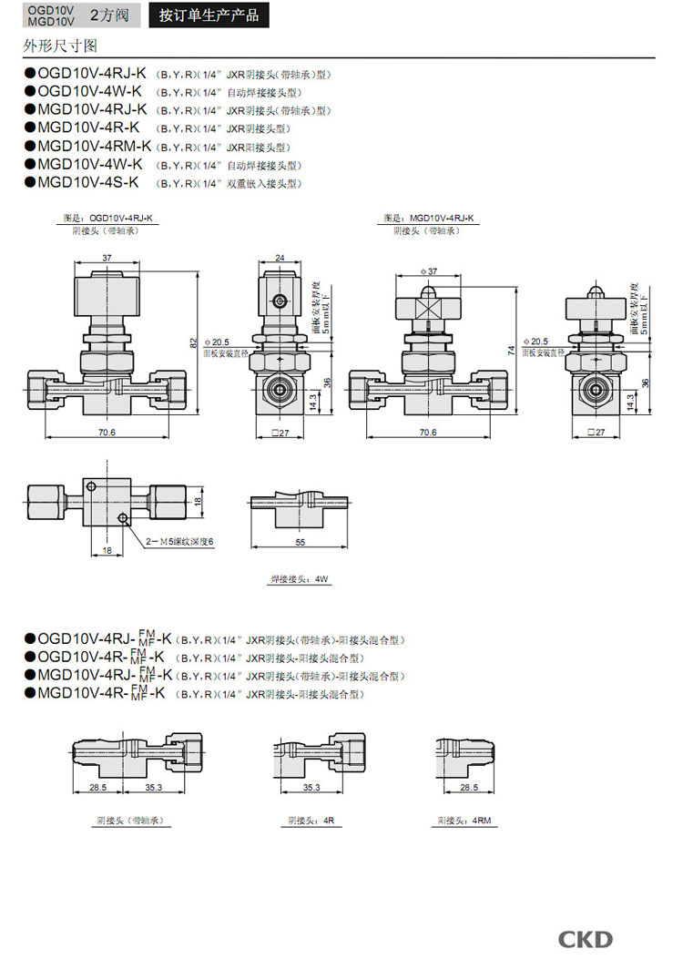
OGD10V-4RJ,OGD20V-6RJ,OGD20V-8RJ,MGD10V-4RJ,MGD20V-6RJ,MGD20V-8RJ,CKD手动阀



OGD20V-8R,OGD20V-8RM,OGD20V-8W,OGD20V-8S,MGD10V-4R,MGD10V-4RM,MGD10V-4W,MGD10V-4S,
MGD20V-6R,MGD20V-6RM,MGD20V-6W,MGD20V-6S,MGD20V-8R,MGD20V-8RM,MGD20V-8W,MGD20V-8S,
|
公司基本资料信息
|
|||||||||||||||
OGD10V-4RJ,OGD20V-6RJ,OGD20V-8RJ,MGD10V-4RJ,MGD20V-6RJ,MGD20V-8RJ,CKD手动阀


