CRM-HA280-240,CRM-HA280-280,内曲线马达
CRM内曲线马达特点:
CRM系列液压马达是我司针对高端市场所开发的新产品。此产品能在各种恶劣工况下稳定工作,能满足大多数场合下对液压马达的高工作压力、大扭矩输出及低速稳定性等要求。在结构上,这款马达采用端面配流,径向柱塞内曲线形式,利用马达转子中空优势,能方便的根据用户要求配置制动器、测速器,及通过马达中孔的特殊设备,大大减小用户对工作主机结构设计的难度。
1)抗冲击能力强,稳定性好;
2)可实现安全平稳的变量及停车制动;
3)能实现自由轮工况;
4)多种安装方式及中空轴设计;
5)大输出扭矩、宽转速范围,可直接替代高速马达加减速机装置,结构紧凑(体积小);
6)具有良好的低速稳定性,能在很低的转速下平稳运转;
7)具有较高的机械效率和容积效率;
8)旋转方向可逆;
9)功率质量比高;
10)可靠性好,维修方便。
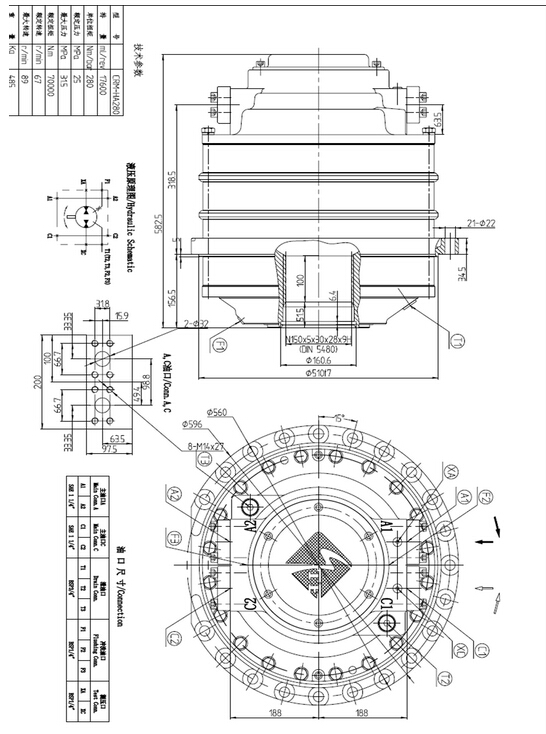
技术参数
| 型号 | 理论排量 | 压力(Mpa) | 扭矩(N.m) | 最大功率 | 重量 | 最高转速 | ||
| (ml/r) | 额定压力 | 尖峰压力 | 额定扭矩 | 单位扭矩 | (Kw) | (Kg) | (r/min) | |
| (N.m/Mpa) | ||||||||
| HA280-240 | 15085 | 25 | 31.5 | 60000 | 2400 | 823 | 485 | 104 |
| HA280-280 | 17600 | 25 | 31.5 | 70000 | 2800 | 822 | 89 | |
外形尺寸



