STFC125-1400,STFC125-1600,STFC125-1800,STFC-2000,液压马达
产品特点:
STFC系列液压马达是我公司研发并经过多年、多行业、多场合下市场应用并验证的一款新型液压马达。该马达在吸取了国外曲轴连杆柱塞液压马达静压平衡优点的基础上,经过不断试验、改进、并逐步提高、改良而定型。该马达壳体强度提高、内部动态运动零件承载力大。其主要特点如下:
1)由于柱塞、连杆、偏心套设计成静压平衡,减少了连杆与偏心套的摩擦力及柱塞体的侧向力,提高了球铰副的接触比压,具有高的机械效率及高的起动扭矩;
2)采用静压平衡技术的轴配流器,防止了配流器的倾斜,密封性能好,泄漏少,可在高压(最高压力可达29MPa)下进行连续工作;
3)密封环采用特殊材料及结构,减少了泄漏,提高了容积效率;
4)马达的主要传动件采用特殊材料和先进的热处理工艺,提高了整体使用寿命;
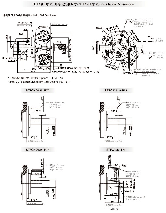
5)该系列马达的外形及安装尺寸与原装Staffa基本相同,性能参数与原装Staffa相近,是替代进口Staffa马达的理想选择。
由于STFC系列液压马达具有上述一系列特点,因而可广泛应用于塑料机械、船舶甲板机械、矿山建筑工程机械、起重运输设备、重型冶金机械、石油煤矿机械、机床、轻工设备、钻机等各种机械的液压传动系统中,特别适用了注塑机的螺杆驱动、提升绞盘、卷筒的驱动、各种回转机械的驱动等传动机械中。
技术参数
| 型号 | 理论排量 | 压力(Mpa) | 扭矩(N.m) | 最大功率 | 重量 | 最高转速 | ||
| (ml/r) | 额定压力 | 尖峰压力 | 额定扭矩 | 单位扭矩 | (Kw) | (Kg) | (r/min) | |
| (N.m/Mpa) | ||||||||
| STFC125-1400 | 1459 | 23 | 29 | 4909 | 213 | 95 | 235 | 300 |
| STFC125-1600 | 1621 | 23 | 29 | 5454 | 237 | 95 | 270 | |
| STFC125-1800 | 1864 | 23 | 29 | 6271 | 273 | 95 | 235 | |
| STFC-2000 | 2027 | 23 | 29 | 6820 | 297 | 95 | 220 | |





