ITMS100-8000,ITMS100-9000,ITMS100-10000,ITMS100-11600,ITMS100-12500,ITMS100-13200,液压马达
产品特点:
ITMS系列液压马达是在原有ITM系列和STF系列基础上,综合其两款的优势而开发出来具有高启动效率、高综合性能的新型液压马达。其主要性能特点
如下:
1、取消柱塞套结构,壳体与柱塞缸孔一体化,具有较高的功率质量比;
2、柱塞与连杆球头采用静压油膜型式,提高接触比压,提高机械效率;
3、柱塞体采用特殊的表面处理,保证了结构的永久性和低摩擦系数的密封件型式,提高了容积效率和机械效率;
4、马达采用特殊滚柱传力型式,提高了启动效率和运行速度;
5、马达的主要传动件采用特殊材料和先进的热处理工艺,提高了整体使用寿命;
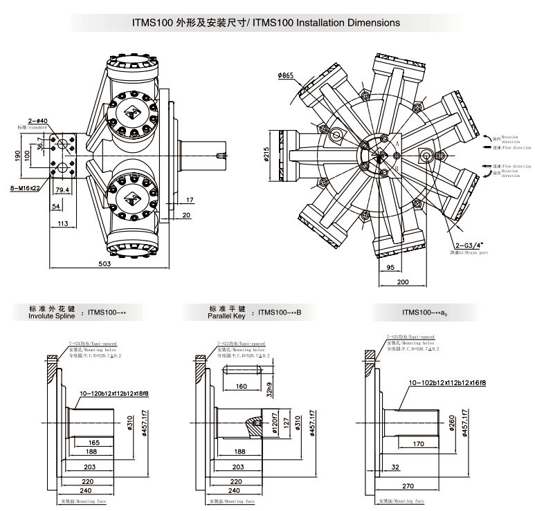
6、该系列马达的安装尺寸与ITM系列保持一致,是ITM系列马达往高压、高端发展一款重要产品。
技术参数
型号 | 理论排量 | 压力(Mpa) | 扭矩(N.m) | 最大功率 | 重量 | 最高转速 | ||
(ml/r) | 额定压力 | 尖峰压力 | 额定扭矩 | 单位扭矩 | (Kw) | (Kg) | (r/min) | |
(N.m/Mpa) | ||||||||
ITMS100-8000 | 8012 | 20 | 25 | 22421 | 1121 | 188 | 580 | 100 |
ITMS100-9000 | 9013 | 20 | 25 | 25222 | 1261 | 211 | 100 | |
ITMS100-10000 | 10816 | 18 | 22 | 27241 | 1513 | 228 | 100 | |
ITMS100-11600 | 11632 | 18 | 22 | 29296 | 1628 | 196 | 80 | |
ITMS100-12500 | 12477 | 16 | 20 | 27933 | 1746 | 187 | 80 | |
ITMS100-13200 | 13353 | 14 | 18 | 26157 | 1868 | 175 | 80 |
外形尺寸
