手机版
二维码
欢迎访问昌林自动化官方网站!
了解产品
品牌站
搜索
首页
了解产品
资讯动态
品牌站
下载中心
首页
>
了解产品
>
液压元件 液压阀
>
压力控制阀
>
溢流阀
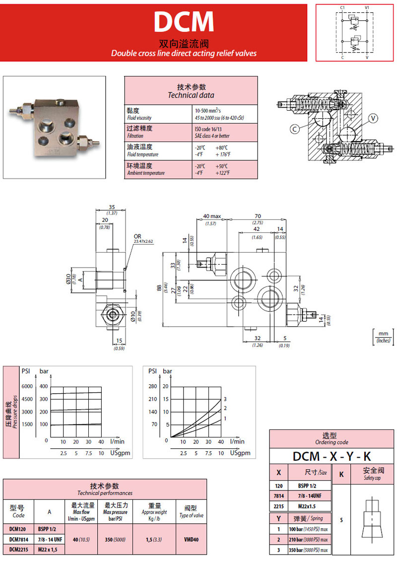
DCM120,DCM7814,DCM2215,双向溢流阀
点击图片查看原图
型号:
DCM120,DCM7814,DCM2215,双向溢流阀
PDF下载:
如需产品详细说明请与销售客服联系
浏览次数:
309
公司基本资料信息
联系人
销售员 1607(先生)
电话
13861877712
地区
江苏-无锡市
地址
无锡市会北路28-135
详细说明
DCM120,DCM7814,DCM2215,双向溢流阀
更多
>
本企业其它产品
YVVP10,YVVP20,YVVP阀
VUBA140,VUBA380,VUBA
030W0AA15,030W0IA20,
02ZAG14C035D0N2,02ZA
HGM3-100,HGM3-175,HG
FDRA.1037,FDRA.1042,
HGM4-99,HGM4-172,HGM
HGM34-2,HGM34-3,HGM3
0
条
相关评论