JK-100,JK-150,JK-200,JK-300,JK-400,JK-630,JK-800,扩散泵机组
一、扩散泵机组特点及用途:
JKT、JK系列油扩散真空泵机组是用来获得高真空(10-2—10-5Pa)的主要设备。它以油扩散泵为主泵和阀门、水冷挡板、管道、机械真空泵(前级泵)等组成高真空抽气系统,可获得(10-2—10-4Pa)的工作真空度。
扩散泵机组的特点是抽气能力大,抽速从190L/S至49000L/S范围内可供选择;并可长时间稳定连续工作。它被广泛地应用在电子、化工、冶金、航空、航天、材料、生物医药、原子能、宇宙探测等高科技领域。如各种真空炉、真空镀膜设备、真空冷冻干燥设备等。典型真空机组是用气动阀门程序控制。如需其他驱动方法,请在订货时注明。
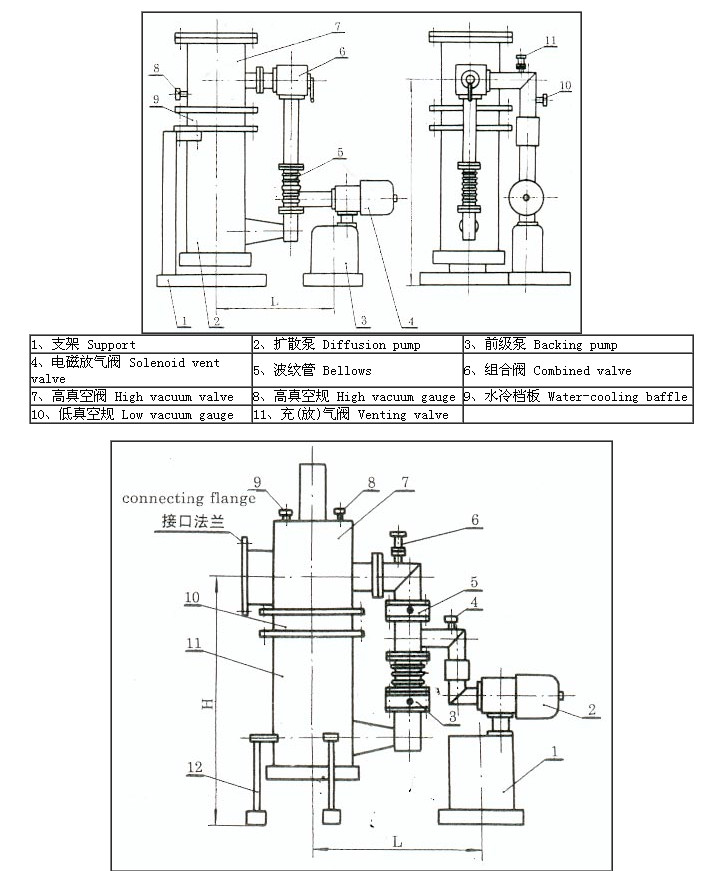
1、前级泵Backing pump
|
2、电磁放气阀Solenoid vent valve
|
3、低真空阀Low vacuum valve
|
4、测量接头 Measurement connector
|
5、阀门 Valve
|
6、放气阀Venting valve
|
7、高真空阀High vacuum valve
|
8、测量接头Measurement connector
|
9、测量接头Measurement connector
|
10、水冷挡板Water-cooling baffle
|
11、扩散泵Diffusion pump
|
12、支架Support
|
二、扩散泵机组的参数:
型号 Model | JK-100 | JK-150 | JK-200 | JK-300 | JK-400 | JK-630 | JK-800 | |
极限压力(Pa) Ultimate Pressure | 10-4 | |||||||
抽气速率(1/S) Pumping speed | 100 | 280 | 420 | 900 | 1800 | 4000 | 6500 | |
最大排气压力(Pa) Max. pumping pressure | 35 | |||||||
加热功率(Kw) Heating power | 0.8 | 1 | 1.5 | 2.1 | 4.8 | 8.4 | 19.8 | |
配用主泵 Matched main pump | K-100 | K-150 | K-200 | K-300 | K-400 | K-630 | K-800 | |
配用挡板 Matched baffle | LB-100 | LB-150A | LB-200B | LB-300A | LB-400 | LB-630 | LB-800 | |
配用阀门 Matched valve | GD-100 | GD-150 | GD-200 | GDQ-300 | GDQ-400 | GDQ-630 | GDQ-800 | |
配用前级泵 Matched backing pump | 2X-4 | 2X-8 | 2X-8 | 2X-15 | 2X-30 | 2X-70 | 2X-70 ZJ-600 | |
接口法兰 Connecting flange | LF-100 | LF-150 | LF-200 | LF-300 | LF-400 | LF-630 | LF-800 | |
结构尺寸(mm) Structure dimensions | H | 870 | 950 | 1000 | 1300 | 1600 | 2000 | 2400 |
L | 550 | 650 | 750 | 850 | 950 | 1100 | 2000 |

1、前级泵Backing pump
|
2、电磁放气阀Solenoid vent valve
|
3、低真空阀Low vacuum valve
|
4、测量接头 Measurement connector
|
5、阀门 Valve
|
6、放气阀Venting valve
|
7、高真空阀High vacuum valve
|
8、测量接头Measurement connector
|
9、测量接头Measurement connector
|
10、水冷挡板Water-cooling baffle
|
11、扩散泵Diffusion pump
|
12、支架Support
|
型号 Model | JTK-100 | JTK-150 | JTK-200 | JTK-300 | JTK-400 | JTK-500 | |
极限压力(Pa) Ultimate Pressure | 10-4 | ||||||
抽气速率(1/S) Pumping speed | 180 | 370 | 600 | 1400 | 2500 | 4000 | |
最大排气压力(Pa) Max. pumping pressure | 35 | ||||||
加热功率(Kw) Heating power | 0.8 | 1.2 | 1.5 | 2.4 | 4.5 | 6 | |
配用主泵 Matched main pump | TK-100 | TK-150 | TK-200 | TK-300 | TK-400 | TK-500 | |
配用挡板 Matched baffle | LB-100 | LB-150A | LB-200B | LB-300A | LB-400 | LB-500 | |
配用阀门 Matched valve | GD-100 | GD-150 | GD-200 | GDQ-300 | GDQ-400 | GDQ-500 | |
配用前级泵 Matched backing pump | 2X-4 | 2X-8 | 2X-15 | 2X-30 | 2X-70 | 2X-70 ZJ-600 | |
接口法兰Connecting flange | LF-100 | LF-150 | LF-200 | LF-300 | LF-400 | LF-500 | |
结构尺寸(mm) Structure dimensions | H | 870 | 950 | 1000 | 1300 | 1600 | 1700 |
L | 650 | 750 | 850 | 950 | 1150 | 1500 |