JZPX70-4,JZPX150-5,JZPX300-4,JZPX300-7,JZPX600-8,JZPX150-42,罗茨旋片真空机组
JZPX300-42,JZPX300-44,JZPX600-42,JZPX600-45,JZPX1200-44,
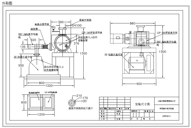
一、罗茨旋片真空机组的产品介绍:
二、罗茨旋片真空机组的产品性能及规格:
罗茨旋片真空机组(前级泵配2X型)
| 机组型号 | 泵型号 | 抽气速率(L/S) | 极限压力 | 进气口径(mm) | 电机功率(kw) | |||||
| 主泵 | 前级泵 | 主泵 | 前级泵 | |||||||
| Ⅰ | Ⅱ | Pa | Torr | Ⅰ | Ⅱ | |||||
| JZPX70-4 | ZJP70 | 2x15 | - | 70 | 2x10-2 | 1.5x10-4 | 80 | 1.1 | 2.2 | - |
| JZPX150-5 | ZJP150 | 2x30A | - | 150 | 2x10-2 | 1.5x10-4 | 100 | 2.2 | 3 | - |
| JZPX300-4 | ZJP300 | 2x70A | - | 300 | 2x10-2 | 1.5x10-4 | 150 | 4 | 5.5 | - |
| JZPX300-7 | ZJP300 | 2x30A | - | 300 | 2x10-2 | 1.5x10-4 | 150 | 4 | 3 | - |
| JZPX600-8 | ZJP-600 | 2x70A | - | 600 | 2x10-2 | 1.5x10-4 | 200 | 7.5 | 5.5 | - |
| JZPX150-42 | ZJP1500 | ZJP30 | 2x15 | 150 | 1x10-2 | 7.5x10-5 | 100 | 2.2 | 0.75 | 2.2 |
| JZPX300-42 | ZJP300 | ZJP70 | 2x30A | 300 | 1x10-2 | 7.5x10-5 | 150 | 4 | 1.1 | 3 |
| JZPX300-44 | ZJP300 | ZJP70 | 2x15 | 300 | 1x10-2 | 7.5x10-5 | 150 | 4 | 1.1 | 2.2 |
| JZPX600-42 | ZJP600 | ZJP150 | 2x70A | 600 | 1x10-2 | 7.5x10-5 | 200 | 7.5 | 2.2 | 5.5 |
| JZPX600-45 | ZJPP600 | ZJP150 | 2x30A | 600 | 1x10-2 | 7.5x10-5 | 200 | 7.5 | 2.2 | 3 |
| JZPX1200-44 | ZJP1200A | ZJP300 | 2x70A | 1200 | 1x10-2 | 7.5x10-5 | 250 | 11 | 4 | 5.5 |



