FTM09VC-47/27-1,FTM09VC-53/34-2,FTM09VC-53/34-3,行走马达
产品参数
| 型号 | 排量 (cc/rev) |
工作压力 (Mpa) |
制动扭矩 (Kgf•m) |
应用 (ton) |
|---|---|---|---|---|
| FTM09VC-47/27-1 | 47/27 | 27.4 | 8.4 | 6-8 |
| 传动比 (i) |
理论输出扭矩 (Kgf•m) |
输出转速 (rpm) |
重量 (Kg) |
|
| 53.7 | 1116/658 | 33/56 | 87 |
| 型号 | 排量 (cc/rev) |
工作压力 (Mpa) |
制动扭矩 (Kgf•m) |
应用 (ton) |
|---|---|---|---|---|
| FTM09VC-53/34-2 FTM09VC-53/34-3 |
53/34 | 27.4 | 8.4 | 6-8 |
| 传动比 (i) |
理论输出扭矩 (Kgf•m) |
输出转速 (rpm) |
重量 (Kg) |
|
| 53.7 | 1195/705 | 31/50 | 87 |
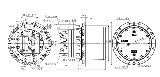
安装尺寸图



