F3V112DTP-9T8L,斜盘式轴向柱塞泵
产品参数
| 型号 | 排量 (cc/rev) |
额定压力 (Mpa) |
最大压力 (Mpa) |
最大转速 (rpm) |
重量 (Kg) |
应用 (ton) |
|---|---|---|---|---|---|---|
| F3V112DTP-9T8L | 112*2 | 34.3 | 39.2 | 2360 | 138 | 20-25 |
| 10 | 3.9 |
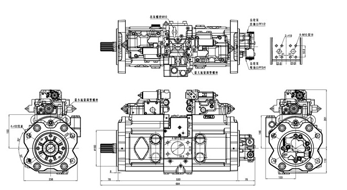
安装尺寸图

|
公司基本资料信息
|
|||||||||||||||
F3V112DTP-9T8L,斜盘式轴向柱塞泵
产品参数
| 型号 | 排量 (cc/rev) |
额定压力 (Mpa) |
最大压力 (Mpa) |
最大转速 (rpm) |
重量 (Kg) |
应用 (ton) |
|---|---|---|---|---|---|---|
| F3V112DTP-9T8L | 112*2 | 34.3 | 39.2 | 2360 | 138 | 20-25 |
| 10 | 3.9 |
