
|
机座号
|
尺 寸
|
|||||||||
|
a
|
a1
|
b
|
b0
|
C
|
d1
|
e
|
f
|
H
|
k
|
|
|
QSC08
|
200
|
288
|
210
|
26
|
79.25
|
φ22
|
105
|
95
|
423
|
188
|
|
QSC10
|
225
|
325
|
274
|
26
|
86
|
φ22
|
137
|
125
|
490
|
208
|
|
QSC12
|
280
|
406
|
346
|
36
|
107.25
|
φ26
|
173
|
150
|
612
|
255
|
|
QSC16
|
355
|
485
|
400
|
46
|
114.25
|
φ34
|
200
|
180
|
760
|
264
|
|
QSC20
|
470
|
625
|
500
|
50
|
141.25
|
φ40
|
250
|
220
|
930
|
318
|
|
QSC25
|
580
|
777
|
620
|
70
|
160.25
|
φ40
|
310
|
275
|
1160
|
356.5
|
|
机座号
|
尺 寸
|
|||||||||
|
n
|
r
|
DD
|
LD
|
HD
|
AD
|
LZ
|
质量(kg)
|
|||
|
QSC08
|
105
|
28
|
由配套电机定
|
Lz=L+LH+LD
(尺寸LH见附表)
|
60
|
|||||
|
QSC10
|
127
|
56
|
86.7
|
|||||||
|
QSC12
|
160
|
70
|
169.58
|
|||||||
|
QSC16
|
220
|
85
|
252
|
|||||||
|
QSC20
|
250
|
100
|
420
|
|||||||
|
QSC25
|
310
|
125
|
984
|
|||||||
附表:减速器与电机接盘高度尺寸HJ与电机机座号对应关系表
|
QSC08
|
QSC10
|
QSC12
|
QSC16
|
QSC20
|
QSC25
|
|
|
80
|
54
|
59
|
79
|
|||
|
90
|
64
|
69
|
89
|
|||
|
100
|
72
|
77
|
97
|
83
|
93
|
|
|
112
|
72
|
77
|
97
|
83
|
93
|
90
|
|
132
|
77(100)
|
97120()
|
83(105)
|
93(115)
|
90(112)
|
|
|
160
|
100(128)
|
120(148)
|
107(135)
|
117(145)
|
114(142)
|
|
|
180
|
149
|
135
|
145
|
142
|
||
|
200
|
135
|
145
|
142
|
|||
|
225
|
165
|
175
|
172
|
说明:1,表中质量为不含电机的减速器的质量;
2,电机可通过接盘、联轴器与减速器联结,也可直接与减速器相连接,用户可根据自行需要选配接盘;
3,减速器与机座号为132、160的电机配套组装时,若电机不是我公司配套组装时,附表中的接盘高度尺寸HJ用括号内的数值。
|
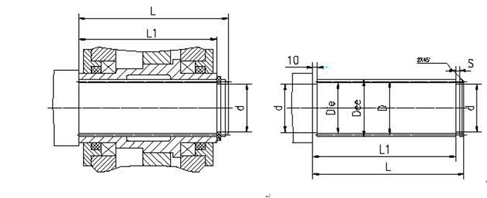
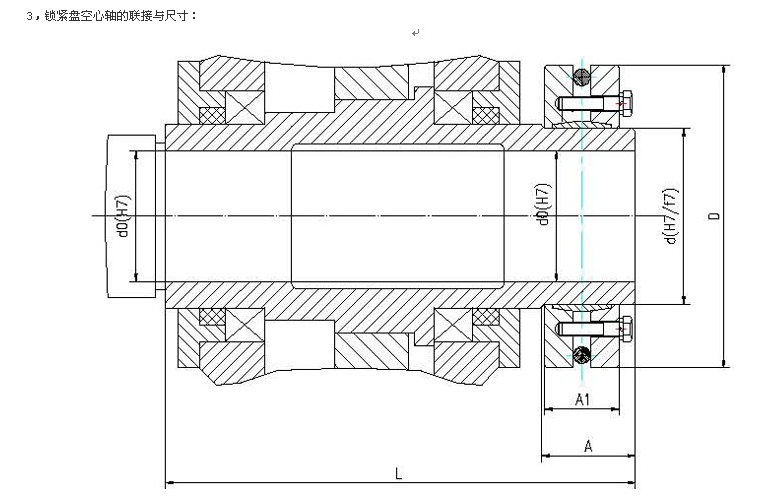
QSC型减速机输出轴的联接形式有渐开线花键空心轴(标准输出型式)、平键空心轴、锁紧盘空心轴和实心平键轴等。
1.渐开线花键空心轴的联接与尺寸:
|

|
机座号
|
花键副
|
外花键大径Dee
|
外花键中径D
|
外花键小径Die
|
L
|
L1
|
d
|
S
|
|
QS06
|
INT/EXT21Z×2m×30P×6H/6h(GB3478.1-83)
|
φ44-0.10-0.15
|
φ42
|
φ39-0.05-0.10
|
167
|
161
|
φ37.5
|
1.7
|
|
QS(C、E)08
|
INT/EXT24×2m×30P×6H/6h(GB3478.1-83)
|
φ50-0.10-0.20
|
φ48
|
φ45-0.05-0.10
|
195
|
188
|
φ42.5
|
1.7
|
|
QS(C、E)10
|
INT/EXT31×2m×30P×6H/6h(GB3478.1-83)
|
φ64-0.10-0.20
|
φ62
|
φ59-0.05-0.15
|
215
|
208
|
φ57
|
2.2
|
|
QS(C、E)12
|
INT/EXT27×3m×30P×6H/6h(GB3478.1-83)
|
φ84-0.10-0.25
|
φ81
|
φ76.5-0.05-0.15
|
262
|
255
|
φ75
|
2.7
|
|
QS(C、E)16
|
INT/EXT35×3 m×30P×6H/6h(GB3478.1-83)
|
φ108-0.10-0.15
|
φ105
|
φ100.5-0.10-0.20
|
272
|
264
|
φ96.5
|
2.7
|
|
QS(C、E)20
|
326
|
318
|
||||||
|
QS(C、E)25
|
365
|
356.5
|

|
机座号
|
L
|
L2
|
M
|
d1
|
u
|
t
|
|
QS06
|
161
|
140
|
M10
|
40
|
12
|
43.3
|
|
QS(C、E)08
|
188
|
160
|
M12
|
50
|
14
|
53.8
|
|
QS(C、E)10
|
208
|
180
|
M16
|
65
|
18
|
69.4
|
|
QS(C、E)12
|
255
|
228
|
M16
|
85
|
22
|
90.4
|
|
QS(C、E)16
|
264
|
234
|
M20
|
90
|
25
|
95.4
|
|
QS(C、E)20
|
318
|
288
|
M24
|
100
|
28
|
106.4
|
|
QS(C、E)25
|
356.5
|
326
|
M24
|
110
|
28
|
116.4
|

|
机座号
|
L
|
L1
|
L2
|
d0
|
A
|
A1
|
d
|
D
|
推荐锁紧盘型号
(JB/ZQ4194-98)
|
|
QS(C、E)10
|
240
|
65
|
60
|
65
|
65
|
31
|
75
|
138
|
SP2-75×138
|
|
QS(C、E)12
|
315
|
90
|
110
|
70
|
90
|
49
|
90
|
155
|
SP2-90×155
|
|
QS(C、E)16
|
334
|
100
|
120
|
80
|
100
|
53
|
110
|
185
|
SP2-110×185
|
|
QS(C、E)20
|
398
|
110
|
130
|
100
|
110
|
58
|
140
|
230
|
SP2-140×230
|
|
QS(C、E)25
|
445
|
120
|
140
|
110
|
125
|
62
|
155
|
263
|
SP2-155×263
|
搜索


