手机版
二维码
欢迎访问昌林自动化官方网站!
了解产品
品牌站
搜索
首页
了解产品
资讯动态
品牌站
下载中心
首页
>
了解产品
>
气动器材 气动阀
>
控制元件
>
单向/节流阀
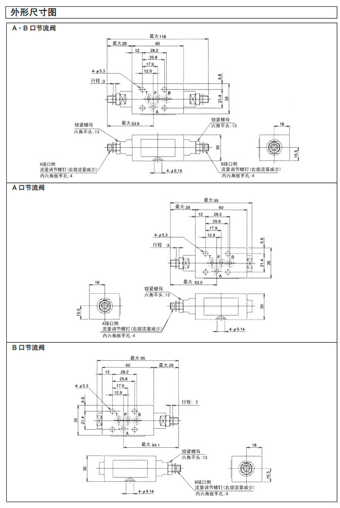
MT-01W-10,MT-01A-10,MT-01B-10,MT-01Wi-10,MT-01Ai-10,MT-01Bi-10,DAIKIN叠加型节流阀
点击图片查看原图
型号:
MT-01W-10,MT-01A-10,MT-01B-10,MT-01Wi-10,MT-01Ai-10,MT-01Bi-10
PDF下载:
如需产品详细说明请与销售客服联系
浏览次数:
337
公司基本资料信息
联系人
销售员1538(女士)
电话
13861877712
地区
江苏-无锡市
地址
无锡市会北路28-135
详细说明
MT-01W-10,MT-01A-10,MT-01B-10,MT-01Wi-10,MT-01Ai-10,MT-01Bi-10,DAIKIN叠加型节流阀
更多
>
本企业其它产品
V15A,V15C,V15D,V15SA
V23A,V23C,V23D,V23SA
V38A,V38C,V38D,V38SA
V50A,V50SA,V50SAJS,V
V70A,V70C,V70SA,V70S
V1515A11R-95,V1515A1
VD1-15A,VD2-15A,VD3-
RP08A,RP15A,RP15C,RP
0
条
相关评论