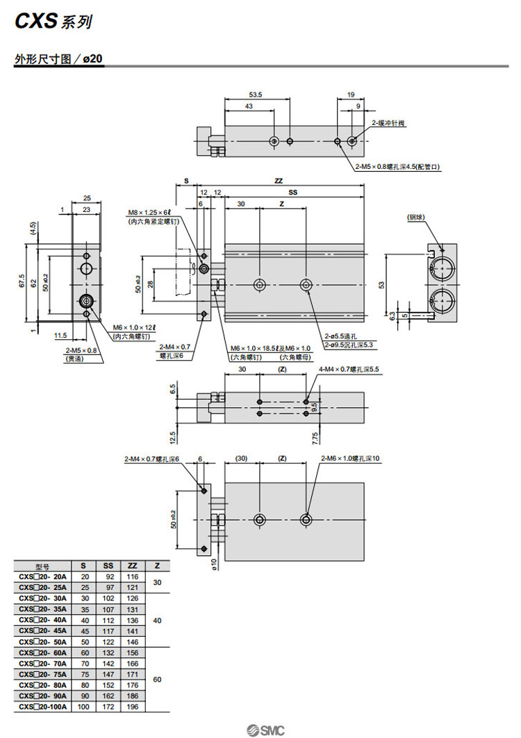
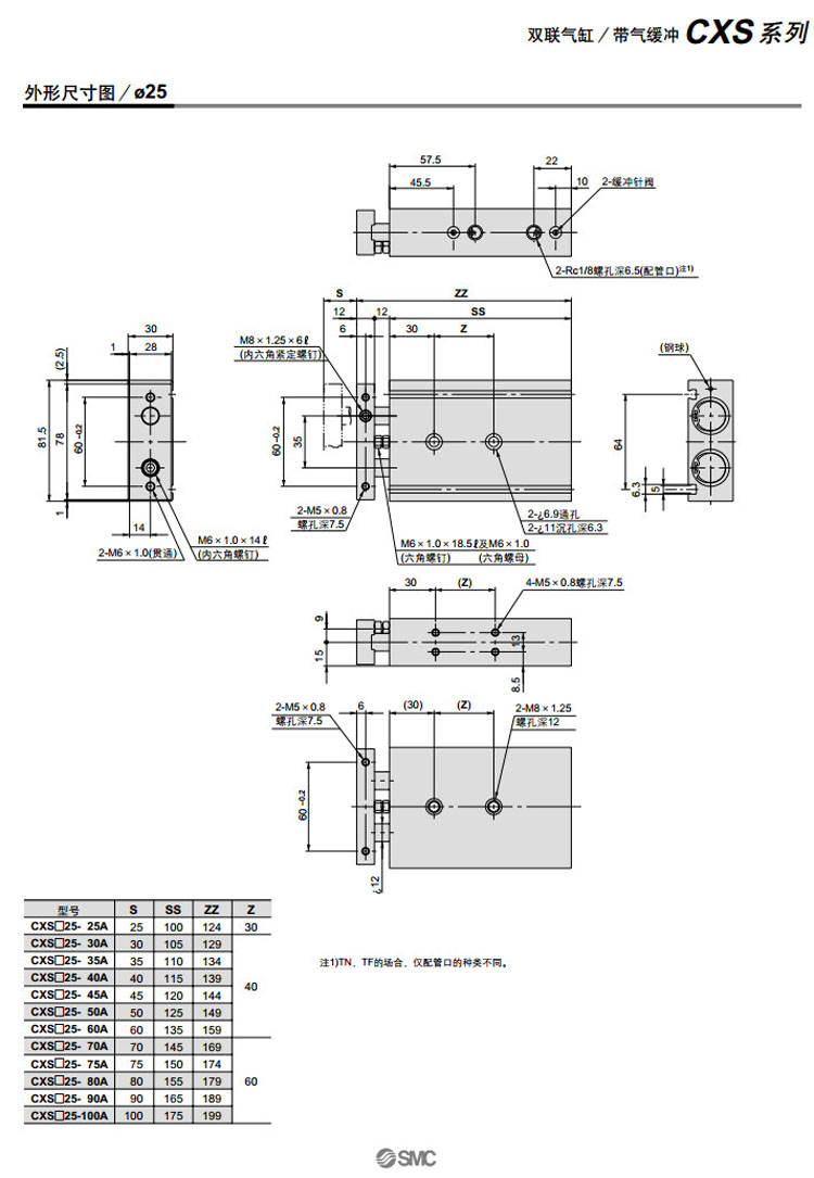
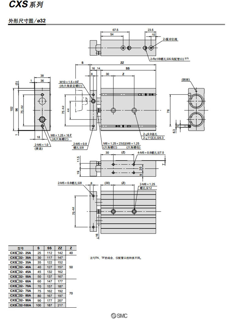
CXSM20-20A,CXSM25-25A,CXSM32-25A,CXSM20-25A,CXSM25-30A,CXSM32-30A,SMC双联气缸





CXSM20-90A,CXSM20-100A,CXSM25-35A,CXSM25-40A,CXSM25-45A,CXSM25-50A,CXSM25-60A,CXSM25-70A,
CXSM25-75A,CXSM25-80A,CXSM25-90A,CXSM25-100A,CXSM32-35A,CXSM32-40A,CXSM32-45A,CXSM32-50A,CXSM32-60A,
CXSM32-70A,CXSM32-75A,CXSM32-80A,CXSM32-90A,CXSM32-100A,


