手机版
二维码
欢迎访问昌林自动化官方网站!
了解产品
品牌站
搜索
首页
了解产品
资讯动态
品牌站
下载中心
首页
>
了解产品
>
液压元件 液压阀
>
流量控制阀
>
流量阀
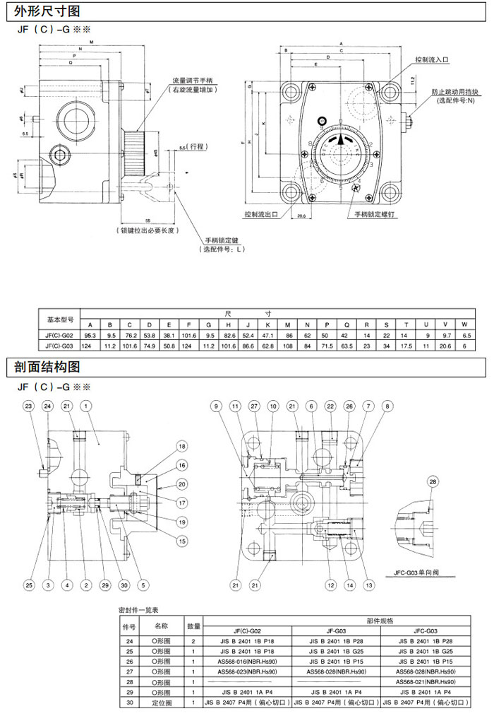
JF-G02-30-15,JFC-G02-30-15,JF-G03-105-16,JFC-G03-105-17,DAIKIN流量控制阀
点击图片查看原图
型号:
JF-G02-30-15,JFC-G02-30-15,JF-G03-105-16,JFC-G03-105-17,
PDF下载:
如需产品详细说明请与销售客服联系
浏览次数:
600
公司基本资料信息
联系人
销售员1538(女士)
电话
13861877712
地区
江苏-无锡市
地址
无锡市会北路28-135
详细说明
JF-G02-30-15,JFC-G02-30-15,JF-G03-105-16,JFC-G03-105-17,DAIKIN流量控制阀
更多
>
本企业其它产品
V15A,V15C,V15D,V15SA
V23A,V23C,V23D,V23SA
V38A,V38C,V38D,V38SA
V50A,V50SA,V50SAJS,V
V70A,V70C,V70SA,V70S
V1515A11R-95,V1515A1
VD1-15A,VD2-15A,VD3-
RP08A,RP15A,RP15C,RP
0
条
相关评论