手机版
二维码
欢迎访问昌林自动化官方网站!
了解产品
品牌站
搜索
首页
了解产品
资讯动态
品牌站
下载中心
首页
>
了解产品
>
液压辅助元件
>
冷却与换热装置
>
补偿器
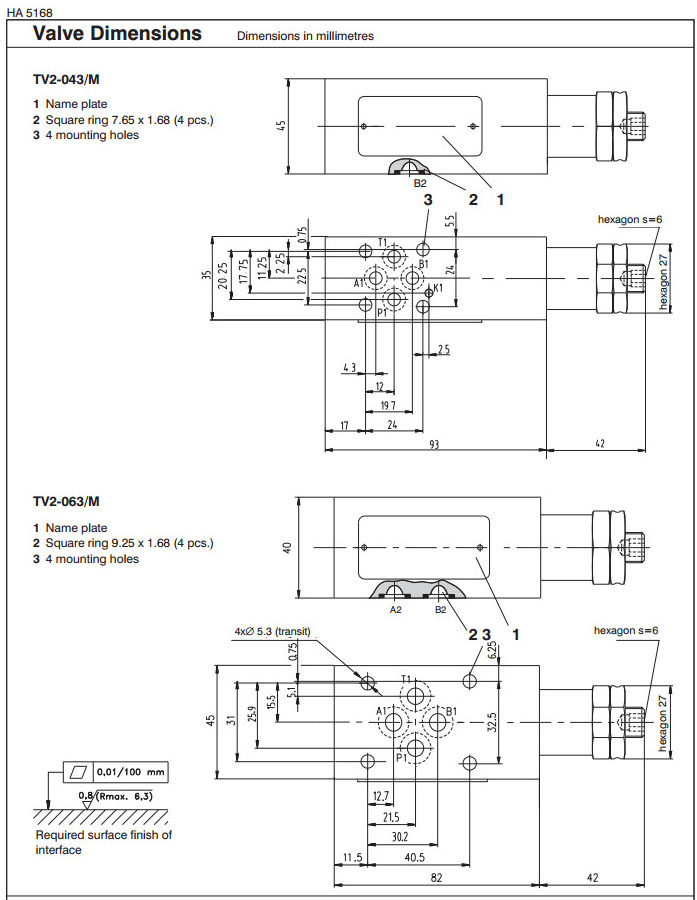
TV2-043/MA,TV2-043/MB,TV2-043/MC,TV2-063/MA,TV2-063/MB,TV2-063/MC,ARGO 3路压力补偿器
点击图片查看原图
型号:
TV2-043/MA,TV2-043/MB,TV2-043/MC,TV2-063/MA,TV2-063/MB,TV2-063/MC
PDF下载:
如需产品详细说明请与销售客服联系
浏览次数:
490
公司基本资料信息
联系人
销售员1634(女士)
电话
13861877712
地区
江苏-无锡市
地址
无锡市会北路28-135
详细说明
TV2-043/MA,TV2-043/MB,TV2-043/MC,TV2-063/MA,TV2-063/MB,TV2-063/MC,ARGO 3路压力补偿器
更多
>
本企业其它产品
FN060-273,FN300-163,
VPP1-06,VPP1-08,VPP1
VJR1-04/MA,VJR1-04/M
RNEH4-252,RNEH4-253,
RPR3-062,RPR3-063,RP
RPR3-042,RPR3-043,RP
RPR1-102,RPR1-103,RP
RPH2-062,RPH2-063,RP
0
条
相关评论