手机版
二维码
欢迎访问昌林自动化官方网站!
了解产品
品牌站
搜索
首页
了解产品
资讯动态
品牌站
下载中心
首页
>
了解产品
>
液压元件 液压阀
>
比例阀 伺服阀
>
比例方向阀
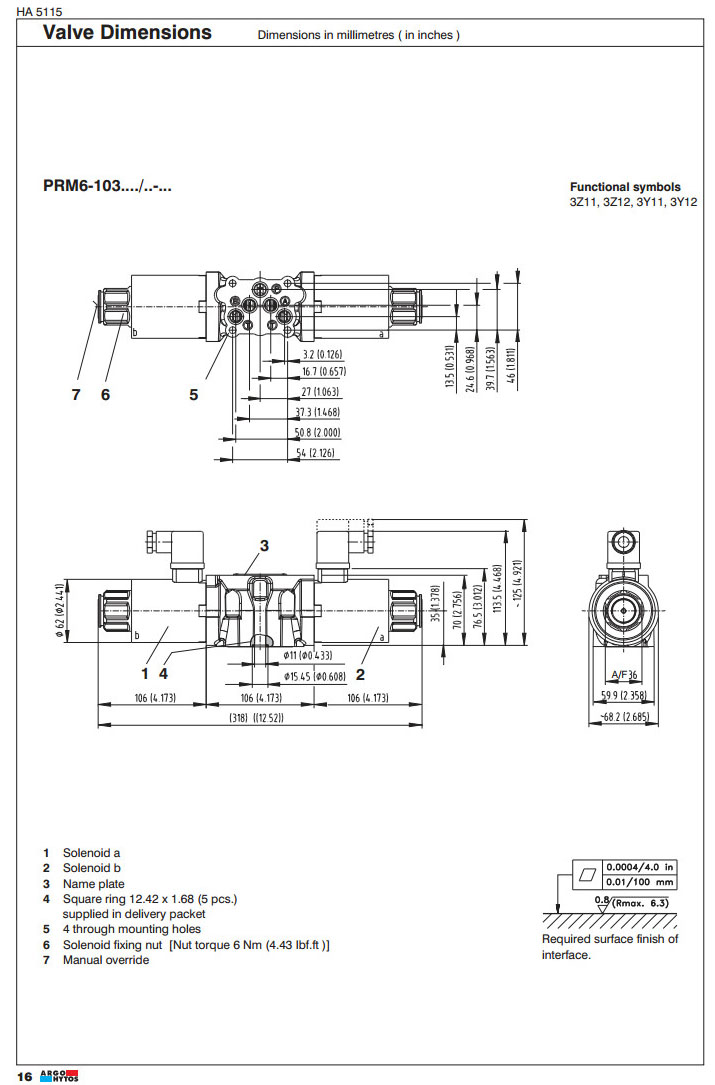
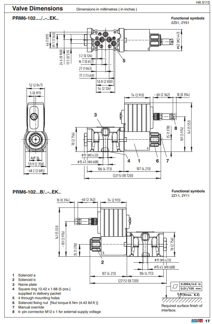
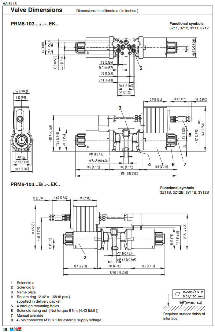
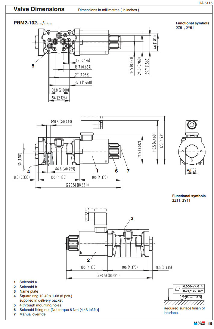
PRM6-10,PRM6-103Z11B/30-12,PRM6-103Z11/30-12,PRM6-102Z51/30-24,PRM6-103Z11/60-24,ARGO比例方向控制阀
点击图片查看原图
型号:
PRM6-10,PRM6-103Z11B/30-12,PRM6-103Z11/30-12,PRM6-102Z51/30-24,PRM6-103Z11/60-24
PDF下载:
如需产品详细说明请与销售客服联系
浏览次数:
358
公司基本资料信息
联系人
销售员1634(女士)
电话
13861877712
地区
江苏-无锡市
地址
无锡市会北路28-135
详细说明
PRM6-10,PRM6-103Z11B/30-12,PRM6-103Z11/30-12,PRM6-102Z51/30-24,PRM6-103Z11/60-24,ARGO比例方向控制阀
更多
>
本企业其它产品
FN060-273,FN300-163,
VPP1-06,VPP1-08,VPP1
VJR1-04/MA,VJR1-04/M
RNEH4-252,RNEH4-253,
RPR3-062,RPR3-063,RP
RPR3-042,RPR3-043,RP
RPR1-102,RPR1-103,RP
RPH2-062,RPH2-063,RP
0
条
相关评论