手机版
二维码
欢迎访问昌林自动化官方网站!
了解产品
品牌站
搜索
首页
了解产品
资讯动态
品牌站
下载中心
首页
>
了解产品
>
气动器材 气动阀
>
控制元件
>
单向/节流阀
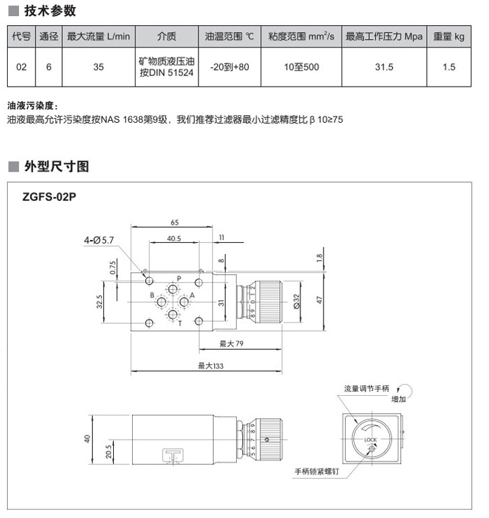
ZGFS-02P,叠加式单向节流阀
点击图片查看原图
型号:
ZGFS-02P,叠加式单向节流阀
PDF下载:
如需产品详细说明请与销售客服联系
浏览次数:
325
公司基本资料信息
联系人
销售员1565(女士)
电话
13861877712
地区
江苏-无锡市
地址
无锡市会北路28-135
详细说明
ZGFS-02P,叠加式单向节流阀
更多
>
本企业其它产品
PV020PMCRMIA,PV020PM
PV046PAFRMIA,PV046PA
PV080HLRMIA,PV092HLR
PV016,PV020,PV023,PV
AR22FLGMCT10Y,AR22FL
AR16,AR22,AR16FR01BS
DPG-75-A1,DPG-75-B2,
DPS-75-A1,DPS-75-B2,
0
条
相关评论