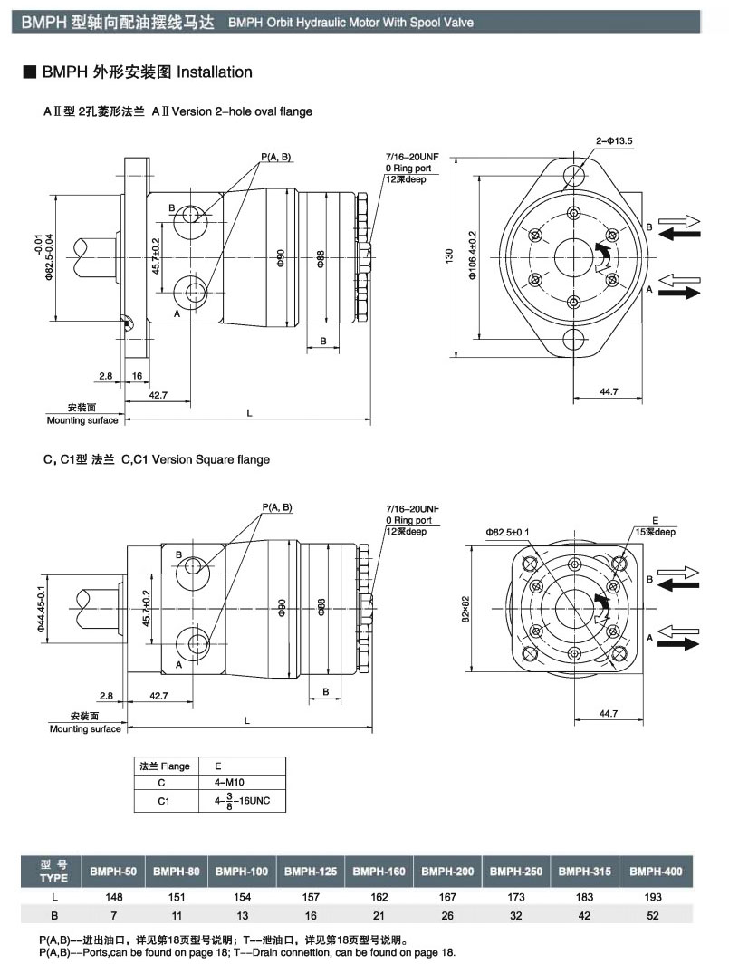
BMPH-50,BMPH-80,BMPH-100,BMPH-125,BMPH-160,BMPH-200,BMPH-250,BMPH-315,BMPH-400,轴向配油摆线马达
本系列马达是一种小体积、经济型轴配流液压马达。采用整体式转定子付,结构紧凑、重量轻、功率密度大。整体式转定子付采用先进加工手段,确保整机体积小、效率高、功率大、寿命长。轴密封承压高,可串、并联使用。结构设计先进,功率密度大。


|
公司基本资料信息
|
|||||||||||||||
BMPH-50,BMPH-80,BMPH-100,BMPH-125,BMPH-160,BMPH-200,BMPH-250,BMPH-315,BMPH-400,轴向配油摆线马达
本系列马达是一种小体积、经济型轴配流液压马达。采用整体式转定子付,结构紧凑、重量轻、功率密度大。整体式转定子付采用先进加工手段,确保整机体积小、效率高、功率大、寿命长。轴密封承压高,可串、并联使用。结构设计先进,功率密度大。

