手机版
二维码
欢迎访问昌林自动化官方网站!
了解产品
品牌站
搜索
首页
了解产品
资讯动态
品牌站
下载中心
首页
>
了解产品
>
液压元件 液压阀
>
比例阀 伺服阀
>
比例方向阀
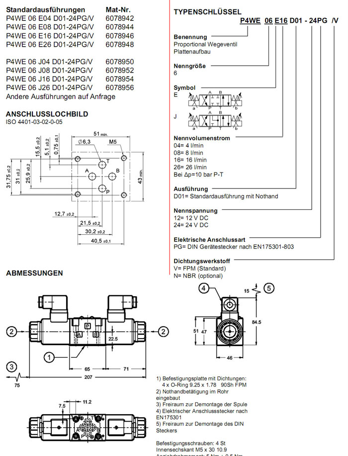
P4WE06E04D01-24PG/V,P4WE06E08D01-24PG/V,P4WE06E16D01-24PG/V,P4WE06E26D01-24PG/V,HYDAC比例换向阀
点击图片查看原图
型号:
P4WE06E04D01-24PG/V,P4WE06E08D01-24PG/V,P4WE06E16D01-24PG/V,P4WE06E26D01-24PG/V
PDF下载:
如需产品详细说明请与销售客服联系
浏览次数:
474
公司基本资料信息
联系人
销售员1642(女士)
电话
13861877712
地区
江苏-无锡市
地址
无锡市会北路28-135
详细说明
P4WE06E04D01-24PG/V,P4WE06E08D01-24PG/V,P4WE06E16D01-24PG/V,P4WE06E26D01-24PG/V,HYDAC比例换向阀
P4WE06J04D01-24PG/V,P4WE06J08D01-24PG/V,P4WE06J16D01-24PG/V,P4WE06E26D01-24PG/V,
更多
>
本企业其它产品
KHM-G2-1114-16X,HYDA
RS08-01-C-N-3-500V,R
RVM06020-51-C-N-0.5,
DB08P-01-C-N-090V,DB
DB3E-02X-50V,DB3E-02
DB4E-01X-30V,DB4E-01
WSM06020Z-01-C-N-0-T
DB06A-01-C-N-180V,DB
0
条
相关评论