欢迎访问昌林自动化官方网站!
九州娱乐ts111下载
 

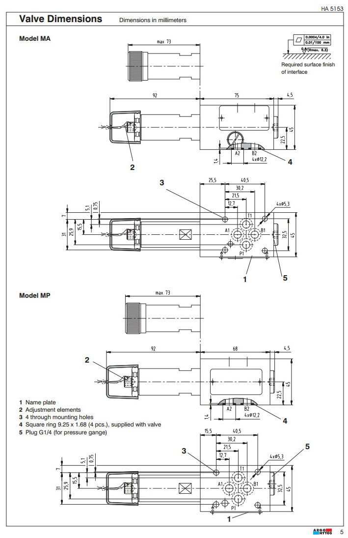
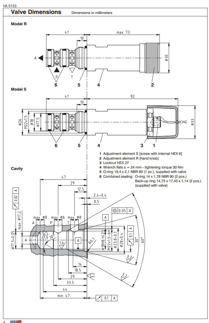
VRN2-06/S-10S 15997200,VRN2-06/S-21S 15997500,VRN2-06/MP-10S 15998400,VRN2-06/MP-21S 15999000,ARGO先导

点击图片查看原图
 
型号: VRN2-06/S-10S 15997200,VRN2-06/S-21S 15997500,VRN2-06/MP-10S 15998400,VRN2-06/MP-21S 15999000
PDF下载: 如需产品详细说明请与销售客服联系
浏览次数: 335
询价
 
公司基本资料信息
详细说明

VRN2-06/S-10S 15997200,VRN2-06/S-21S 15997500,VRN2-06/MP-10S 15998400,VRN2-06/MP-21S 15999000,ARGO先导式减压阀

更多>本企业其它产品
0相关评论