NN110-80,NN110-100,NN110-150,NN110-200,
产品特性如下:
高刚性,齿轮采用合金钢氮化硬齿面,具有优越的
抗磨损性和耐冲击性;
传递扭矩大,齿轮啮**用多齿啮合;
传动效率高(>=90%),传动功率大,径向承载能力高,
实现单级系列传动;
速比范围:速比5~10000,使应用设计达到最佳的转矩
与转速匹配;
回差间隙小,传递精度高;
密封设计良好,全部使用润滑脂润滑,不泄漏,免保养;
安装简便,同轴输出,标准法兰定位,适用于任何厂商和形式的电机;
结构紧凑,体积小,在现有同型号减速器中为最小;
噪音低,< 68分贝;寿命长,>20000小时;
性价比高,同等精度,市场价格最低;

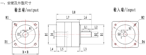
| 型 号 | ||
| NN110 | ||
| B | 壳体尺寸 | 115×115 |
| B1 | 输出键尺寸 | 8×7 |
| B2 | 输入键尺寸 | 6×6 |
| M1 | 输出端安装螺纹 | M10×22 |
| M2 | 输入端安装螺纹 | M10×22 |
| H1 | 输出端输出轴高 | 28 |
| H2 | 输入端输入轴高 | 21 |
| D1 | 输出端安装孔分布圆直径 | 130 |
| D2 | 输出轴直径 | 25 |
| D3 | 输出端定位止口直径 | 95 |
| D4 | 输入端孔直径 | 19 |
| D5 | 输入端定位圆直径 | 85 |
| D6 | 输入端安装孔分布圆直径 | 132 |
| L1 | 输出端键长 | 40 |
| L2 | 输出端键到轴端距离 | 5 |
| L3 | 输出端定位止口厚度 | 5 |
| L4 | 输入端电机定位深度 | 4 |
| L5 | 输入端电机轴长 | 48 |
| L6 | 输出端轴长(自安装面) | 55 |
| L7 | 躯 体 长 | 120 |
| L8 | 减速器总长 | 175 |
b,各型号减速器输入输出的安装及连接尺寸均可根据用户要求定制。
二,基本技术参数
| 型 号 | NN110 | 减速比 |
|
额定输出扭矩 N.m |
90 | 5 |
| 100 | 6 | |
| 120 | 7 | |
| 200 | 10 | |
| 200 | 15 | |
| 200 | 20 | |
| 200 | 30 | |
| 240 | 40 | |
| 240 | 60 | |
| 250 | 80 | |
| 250 | 100 | |
| 260 | 150 | |
| 260 | 200 | |
| 极限扭矩 | 1.5~2倍的额定输出扭矩 | |
| 产品型号 | NN130 | ||
| 最大径向力 | N | 1600 | |
| 最大轴向力 | N | 750 | |
| 满载效率 | % | >90% | |
| 平均寿命 | h | >20000(h) | |
| 重 量 | Kg | 4.7 | |
| 回 差(标准/精密) | Arcmin | ≤12 / 5 | |
| 噪 音 | dB(A) | ≤68 | |
| 最大输入速度 | Min-1 | 4500 | |
| 额定输入速度 | Min-1 | 2500 | |
| 扭转刚度 | N.m/Arcmin | 7 | |
| 旋转方向 | 与输入相反 | ||
| 润 滑 | 免维护 | ||
| 防护等级 | IP55 | ||
| 安装方向 | 任意 | ||


