NN90-80,NN90-100,NN90-150,NN90-200,
NN90型步进电机/伺服电机/直流电机系列精密减速器,采用行星传动原理设计,广泛应用于各个领域,其产品特性:
结构紧凑,体积小,在现有同型号减速器中为最小;
传递扭矩大,齿轮啮**用多齿啮合,
——多齿均载,齿轮啮合无高速传动;
高压压铸铝合金机壳,新工艺,高精度,增强热传导性,
降低内部温升,减少发热;
传动效率高(>=90%),传动功率大,径向承载能力高,
实现单级系列传动;
速比范围:速比5~10000,使应用设计达到最佳的转矩
与转速匹配;
回差间隙小,传递精度高;
密封设计良好,全部使用润滑脂润滑,不泄漏,免保养;
安装简便,同轴输出,标准法兰定位,适用于任何厂商和形式的电机;
噪音低,< 65分贝;寿命长,>20000小时;
性价比高,同等精度,市场价格最低;

| 型 号 | ||
| NN90 | ||
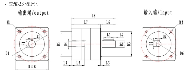
| B | 壳体尺寸 | 92×92 |
| B1 | 输出键尺寸 | 6×6 |
| B2 | 输入键尺寸 | 5×5 |
| M1 | 输出端安装螺纹 | M8×20 |
| M2 | 输入端安装螺纹 | M6×15 |
| H1 | 输出端输出轴高 | 22.5 |
| H2 | 输入端输入轴高 | 16.5 |
| D1 | 输出端安装孔分布圆 | 100 |
| D2 | 输出轴直径 | 20 |
| D3 | 输出端定位止口直径 | 80 |
| D4 | 输入端孔直径 | 14 |
| D5 | 输入端定位圆直径 | 73 |
| D6 | 输入端安装孔分布圆直径 | 100 |
| L1 | 输出端键长 | 28 |
| L2 | 输出端键到轴端距离 | 5 |
| L3 | 输出端定位止口厚度 | 4 |
| L4 | 输入端电机定位深度 | 2.5 |
| L5 | 输入端电机轴长 | 40 |
| L6 | 输出端轴长(自安装面) | 40 |
| L7 | 躯 体 长 | 82 |
| L8 | 减速器总长 | 122 |
b,各型号减速器输入输出的安装及连接尺寸均可根据用户要求定制。
二,基本技术参数
| 型 号 | NN90 | 减速比 |
|
额定输出扭矩 N.m |
55 | 5 |
| 60 | 6 | |
| 60 | 7 | |
| 70 | 10 | |
| 70 | 15 | |
| 90 | 20 | |
| 90 | 30 | |
| 100 | 40 | |
| 100 | 60 | |
| 100 | 80 | |
| 120 | 100 | |
| 120 | 150 | |
| 120 | 200 | |
| 极限扭矩 | 1.5~2倍的额定输出扭矩 | |
| 产品型号 | NN90 | ||
| 最大径向力 | N | 910 | |
| 最大轴向力 | N | 580 | |
| 满载效率 | % | >90% | |
| 平均寿命 | h | >20000(h) | |
| 重 量 | Kg | 2.8 | |
| 回 差(标准/精密) | Arcmin | ≤12 / 5 | |
| 噪 音 | dB(A) | ≤65 | |
| 最大输入速度 | Min-1 | 4500 | |
| 额定输入速度 | Min-1 | 2500 | |
| 扭转刚度 | N.m/Arcmin | 4.5 | |
| 旋转方向 | 与输入相反 | ||
| 润 滑 | 免维护 | ||
| 防护等级 | IP55 | ||
| 安装方向 | 任意 | ||


