手机版
二维码
欢迎访问昌林自动化官方网站!
了解产品
品牌站
搜索
首页
了解产品
资讯动态
品牌站
下载中心
首页
>
了解产品
>
液压元件 液压阀
>
比例阀 伺服阀
>
比例放大器
HT-2000,HT-2010,HT-2013比例放大器
点击图片查看原图
型号:
HT-2000,HT-2010,HT-2013
PDF下载:
如需产品详细说明请与销售客服联系
浏览次数:
639
公司基本资料信息
联系人
销售员 1726(先生)
电话
13861877712
地区
江苏-无锡市
地址
无锡市会北路28-135
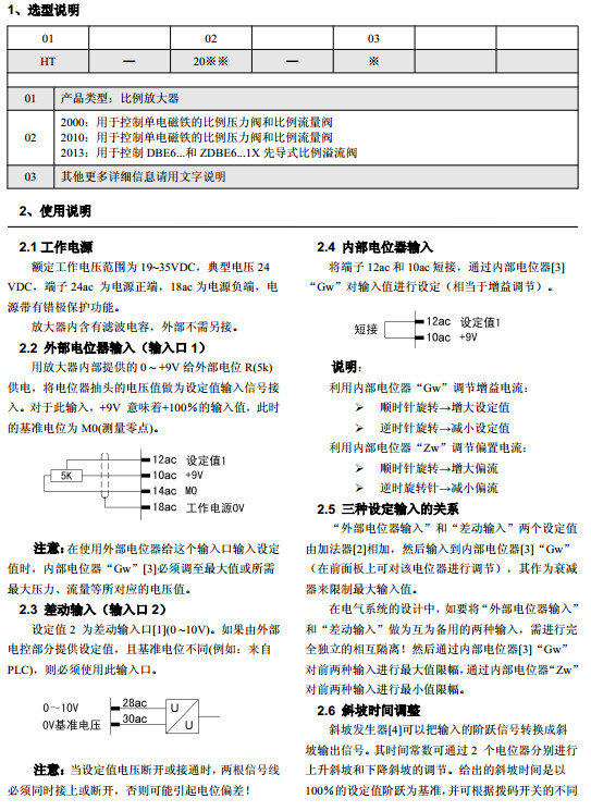
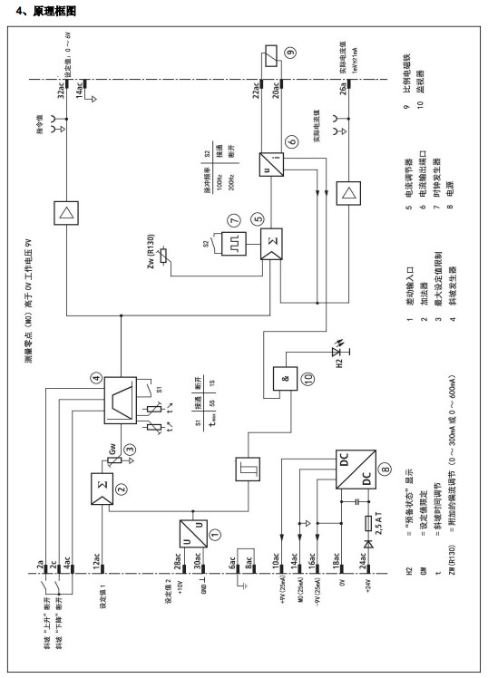
详细说明
HT-2000,HT-2010,HT-2013比例放大器
HT-2000,HT-2010,HT-2013比例放大器
更多
>
本企业其它产品
HPC-1700-16,HCP-1700
HTC-1700-100-000,HTC
HPC-348-5-16-D,HPC-3
HTC-384-2-150-D,HTC-
HT-2000,HT-2010,HT-2
HT-VSPA1-1-11,HT-VSP
HT-3000,HT-3006,HT-3
HT-VSPA2-1-15-T5,HT-
0
条
相关评论