手机版
二维码
欢迎访问昌林自动化官方网站!
了解产品
品牌站
搜索
首页
了解产品
资讯动态
品牌站
下载中心
首页
>
了解产品
>
气动器材 气动阀
>
控制元件
>
气控换向阀
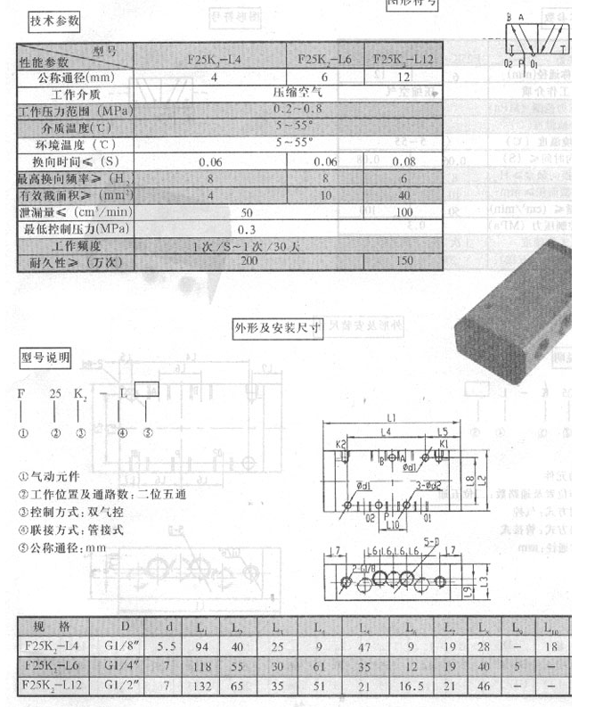
二位五通双气控换向阀F25K2-L4,F25K2-L6,F25K2-L12
点击图片查看原图
型号:
F25K2-L4,F25K2-L6,F25K2-L12
PDF下载:
如需产品详细说明请与销售客服联系
浏览次数:
409
公司基本资料信息
联系人
销售员1787(先生)
电话
13812199898
地区
江苏-无锡市
地址
无锡市会北路28-135
详细说明
F25K2-L4,F25K2-L6,F25K2-L12
更多
>
本企业其它产品
过滤器XF3-16 XF5-16
管道手拉式换向阀F23R
二位三通单气控截止阀
二位三通电控截止阀23
气控截止阀 K23JK-L6T
二位三通单电控滑阀K2
二位五通双气控换向阀
二位五通单气控换向阀
0
条
相关评论