GID-25,GID-32,GID-40,GID-63,GID-80,GID-100,GID-125,GID-150,GID-200,GID-250,GID-300,GID-400,电动高真空蝶阀,生产厂家,价格
GID-500,GID-800,GID-1000,GID-1200,
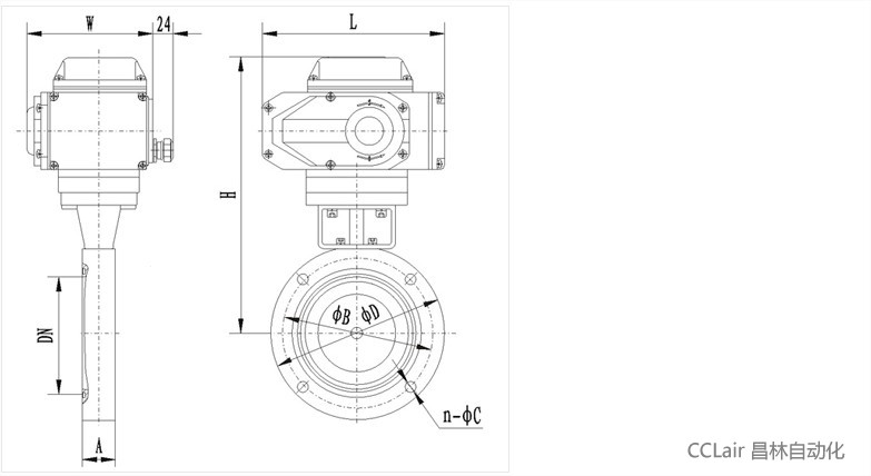
GID型系列电动高真空蝶阀采用回转型电动、电子调节式阀门驱动装置,可以通过外接电源的切换(用手动转位开关或电脑控制)或外部输入信号,来实现阀门开、关或中间位置的控制,从而达到接通或切断真空管路中气流的目的。
适用的工作介质为空气和非腐蚀性气体。



|
规格型号 |
DN |
D |
Do |
D1 |
B |
H |
B1 |
L |
n-φc |
|
GID-40 |
40 |
85 |
70 |
44 |
22 |
185 |
124.5 |
157 |
4-φ7 |
|
GID-50 |
50 |
110 |
90 |
55 |
22 |
192 |
124.5 |
157 |
4-φ7 |
|
GID-65 |
65 |
125 |
105 |
70 |
26 |
206 |
124.5 |
157 |
4-φ9 |
|
GID-80 |
80 |
145 |
125 |
85 |
30 |
225 |
124.5 |
157 |
4-φ9 |
|
GID-100 |
100 |
170 |
145 |
105 |
30 |
268 |
124.5 |
157 |
4-φ12 |
|
GID-150 |
150 |
220 |
195 |
156 |
35 |
294 |
141 |
157 |
8-φ12 |
|
GID-200 |
200 |
275 |
250 |
208 |
40 |
350 |
141 |
207 |
8-φ12 |
|
GID-250 |
250 |
330 |
300 |
258 |
45 |
376 |
141 |
207 |
8-φ14 |
|
GID-300 |
300 |
380 |
350 |
308 |
55 |
480 |
153 |
207 |
8-φ14 |
|
GID-400 |
400 |
500 |
465 |
410 |
60 |
587 |
153 |
256 |
8-φ18 |
|
GID-500 |
500 |
600 |
565 |
510 |
80 |
632 |
153 |
280 |
12-φ18 |
|
GID-600 |
600 |
710 |
670 |
610 |
100 |
790 |
190 |
288 |
12-φ21 |
|
GID-800 |
800 |
920 |
815 |
815 |
130 |
975 |
190 |
288 |
20-φ21 |
|
GID-1000 |
1000 |
1120 |
1090 |
1015 |
140 |
1100 |
285 |
350 |
32-φ14 |
|
GID-1200 |
1200 |
1440 |
1280 |
1280 |
150 |
1430 |
285 |
350 |
36-φ19 |


