IGP型内啮合齿轮泵适用于要求低噪音、高压力、运转平稳、结构紧凑的场合,如塑料注射成型机、吹塑成型机、橡胶硫化机、折弯机、剪切机,还应用于如舵机、甲板起重机及公用车辆装卸、提升等起重机械。
原理、特点:
内啮合齿轮副旋转时,油液被吸入泵壳及内外齿轮间的空腔中,大小月牙块和啮合齿在圆周方向由于弹簧片的作用 始终形成封闭,支承盘则在轴向形成几乎无间隙的密封,由此,泵的容积损失减至最小,吸入的油液由齿顶进入齿间高压喷射出。
内啮合齿轮副、滑动轴承、轴向和径向的自动补偿,这些都保证了泵的高压力、低脉动、轻噪音、紧结构的最大特点。
型号说明:

技术参数:
| 型号 | IGP-4-64 | IGP-4-80 | IGP-4-100 | IGP-4-125 | |
| 理论排量 ml/r | 64.1 | 80.7 | 101.3 | 126.2 | |
| 转速 r/min | 最低转速 | 400 | 400 | 400 | 400 |
| 最高转速 | 2800 | 2400 | 2100 | 1800 | |
| 压力 MPa | 连续工作压力 | 30 | 28 | 25 | 21 |
| 最大峰值压力 | 33 | 31.5 | 30 | 25 | |
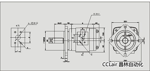
外形及安装尺寸:

| 型号 | a | b | c | d | e | f | g | h | I | kg |
| IGP-4-64 | 140 | 23 | 40 | 70 | 36 | 52 | 26 | M12×20 | M10×15 | 29.2 |
| IGP-4-80 | 148 | 23 | 45 | 78 | 43 | 70 | 36 | M12×20 | M12×20 | 30.8 |
| IGP-4-100 | 168 | 27 | 50 | 78 | 43 | 70 | 36 | M12×20 | M12×20 | 32.5 |
| IGP-4-125 | 170 | 30 | 50 | 78 | 43 | 70 | 36 | M12×20 | M12×20 | 35.0 |


