|
JCB系列机床冷却电泵技术参数
|
|||||||
|
型号
|
功率(W)
|
电压(V)
|
电流(A)
|
频率(Hz)
|
转速(r/min)
|
扬程(M)
|
流量(L/min)
|
|
JCB-180
|
600
|
380
|
0.68
|
50
|
2760
|
5
|
180
|
|
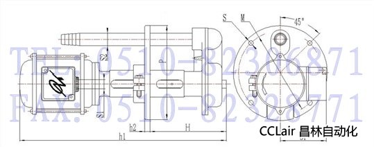
JCB系列机床冷却电泵安装尺寸和外形尺寸 (mm) |
|||||||||
|
型号
|
H
|
P
|
M
|
S
|
S1
|
S2
|
b1
|
h1
|
h2
|
|
JCB-180
|
120-290
|
255
|
230
|
10
|
12
|
G1¼"
|
100
|
475
|
12
|



