手机版
二维码
欢迎访问昌林自动化官方网站!
了解产品
品牌站
搜索
首页
了解产品
资讯动态
品牌站
下载中心
首页
>
了解产品
>
液压元件 液压阀
>
其他液压元件
>
缓冲阀
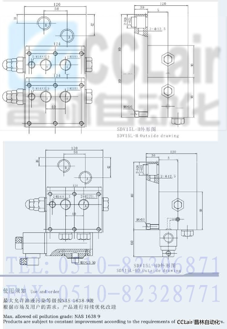
SDV15L-HD,缓冲阀
点击图片查看原图
型号:
SDV15L-HD,
PDF下载:
如需产品详细说明请与销售客服联系
浏览次数:
1464
公司基本资料信息
联系人
销售员1147(女士)
电话
13861877712
地区
江苏-无锡市
地址
无锡市会北路28-135
详细说明
SDV15L-HD,缓冲阀
更多
>
本企业其它产品
CCBH140/150-2/5,CCBH
GCBH3-16/25,GCBH3-12
FD20PA350,平衡阀
XH10Z-S,XH10Z-Y,回转
SDBV150-25,回转用双
SDV15L-HD,缓冲阀
HC80-00,回转控制阀
8HDCV35/3X70,小挖液
0
条
相关评论