手机版
二维码
欢迎访问昌林自动化官方网站!
了解产品
品牌站
搜索
首页
了解产品
资讯动态
品牌站
下载中心
首页
>
了解产品
>
制动器 离合器
>
制动器
>
电磁制动器
JDZ5-05,JDZ5-10,JDZ5-20,JDZ5-40,JDZ5-80,JDZ5-160,单片制动器
点击图片查看原图
型号:
JDZ5-05,JDZ5-10,JDZ5-20,JDZ5-40,JDZ5-80,JDZ5-160,
PDF下载:
如需产品详细说明请与销售客服联系
浏览次数:
585
公司基本资料信息
联系人
销售员 1215(先生)
电话
13812199898
地区
江苏-无锡市
地址
无锡市会北路28-135
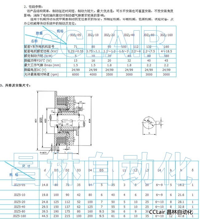
详细说明
JDZ5-05,JDZ5-10,JDZ5-20,JDZ5-40,JDZ5-80,JDZ5-160,单片制动器
更多
>
本企业其它产品
DLZ1-05,DLZ1-10,DLZ1
DLD3-5,DLD3-10,DLD3-
KZS-1,KZS-2,整流器
ZS-1,ZS-2,整流器
DLD2-05,DLD2-10,DLD2
JDZ5-05,JDZ5-10,JDZ5
DMZ1-05,DMZ1-08,DMZ1
DMZX-0.5,DMZX-1,DMZX
0
条
相关评论