手机版
二维码
欢迎访问昌林自动化官方网站!
了解产品
品牌站
搜索
首页
了解产品
资讯动态
品牌站
下载中心
首页
>
了解产品
>
油泵 齿轮泵 组合泵
>
叶片泵及泵组
>
叶片泵
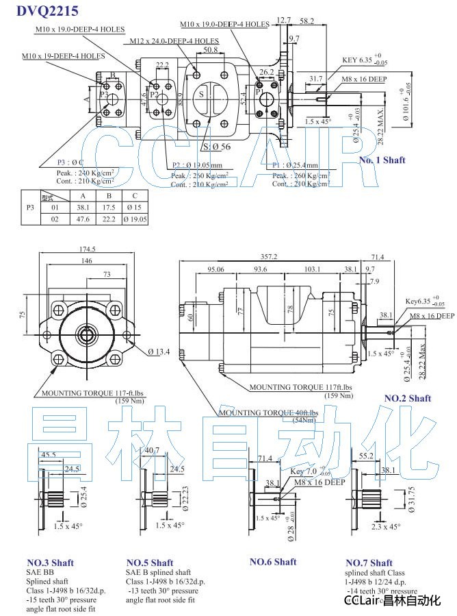
DVQ2215,叶片泵
点击图片查看原图
型号:
DVQ2215,
PDF下载:
如需产品详细说明请与销售客服联系
浏览次数:
928
公司基本资料信息
联系人
销售员 1232(先生)
电话
13861877712
地区
江苏-无锡市
地址
无锡市会北路28-135
详细说明
DVQ2215,叶片泵
更多
>
本企业其它产品
T6DC-14-05-1R00-C100
DVQ45-136,DVQ45-156,
DVQ45-136-F-RAA,DVQ4
DVQ25-18,DVQ25-22,DV
DVQ25-18-F-RAB-01,DV
DVQ20-06,DVQ20-08,DV
DVQ20-6-F-RAA-01,DVQ
DVQ2215,叶片泵
0
条
相关评论