交流电磁失电制动器
一、简介
DZSJ1系列交流电磁失电制动器为通电脱离(释放),断电弹簧制动的摩擦式制动器。它主要与Y系列电动机配套成YEJ 系列电磁制动三相异步电动机。广泛应用于冶金、建筑、化工、食品、机床、印刷、包装等机械中,及在断电时(防险)制动等场合。这种制动器具有结构紧凑、适用性广、工作频次高、动作灵敏、制动可靠、安装接线方便、无需整流器、制动时间快于直流制动器等优点,是一种理想的自动化执行元件。
二、性能参数

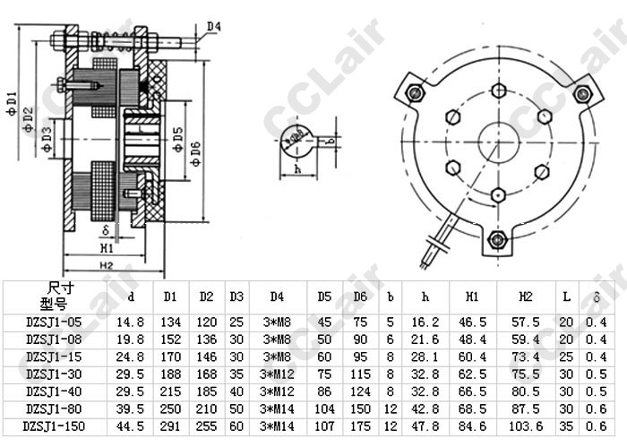
三、外形及安装尺寸

四、安装注意事项
DZD10-0.4,DZD10-1,DZD10-2,DZD10-4,DZD10-8,DZD10-16,DZD10-25,单片电磁制动器
DZD10-0.4A,DZD10-1A,DZD10-2A,DZD10-4A,DZD10-8A,DZD10-16A,DZD10-25A,
DZD10-0.4B,DZD10-1B,DZD10-2B,DZD10-4B,DZD10-8B,DZD10-16B,DZD10-25B,
DZSJ1-05,DZSJ1-08,DZSJ1-15,DZSJ1-30,DZSJ1-40,DZSJ1-80,DZSJ1-150,交流电磁失电制动器,


