用途:
直流MFZ10-YC系列电磁铁,适用于单相桥式全波整流的直流电源,电压至220V的电路中。MFB10-YC系列电磁铁适用于交流50HZ至220V控制电路中。
交流:MFJ10YC系列电磁铁,适用于交流50HZ、电压至380V控制电路中,作为液压电磁换向阀的动力元件。可配套德国力士乐、六、十通径螺纹连接的电磁换向阀。
*当电源为交流时可以选用MFB10-YC交流本整型电磁铁,其性能和MFZ10-YC完全相同。
主要技术参数
|
参数\型号 |
MFZ10-22YC |
MFZ10(B10)-37YC |
MFZ10(B10)-90YC |
MFJ10-27YC |
MFJ10-54YC |
|
额定电压(V) |
24 110 220 |
12 24 110 220 |
12 24 110 220 |
110 220 |
110 220 |
|
额定吸力(N) |
≥22 |
≥37 |
≥90 |
≥27 |
≥54 |
|
额定行程(mm) |
2.8(3) |
2.8(3) |
3.6(4) |
2.8(3) |
3.6(4) |
|
全行程(mm) |
≥6.5 |
≥6.5 |
≥8.5 |
≥6.5 |
≥8.5 |
|
耐油压(MPa) |
导磁套均可承受油压21MPa |
||||
|
消耗功率(W) |
≤30 |
≤30 |
≤40 |
≤26 |
≤40 |
|
绝缘等级 |
F级 |
||||
|
连接螺纹 |
M20×1 |
M20×1 |
M26×1.5 |
M20×1 |
M26×1.5 |
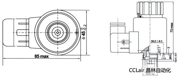
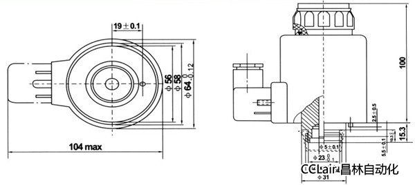
外形及安装尺寸

MFZ10-37YC

MFZ10-90YC
使用注意事项:
●电磁铁采用符合ISO4400标准的插座。有带指示灯、不带指示灯两种规格,您可以根据需要进行选择。带指示灯插座的电压规格必须与电磁铁本体电压规格相符。
●电磁铁的手动推杆用于在调试时或紧急情况下,进行手动控制。但当系统背压较高,调节困难时,请使用十字螺丝刀缓推手推杆,不宜使用冲击力,以免破坏手动推杆和导向内孔表面,造成电磁铁漏油或不能复位。
●当双向使用电磁铁时,一定要保证两个电磁铁不能同时通电,以免电磁阀不能正常工作。·电气控制系统与电磁铁连接部分之间应设有过流保护装置,以免在非正常情况下,烧毁电磁铁及您的电控元件。


