手机版
二维码
欢迎访问昌林自动化官方网站!
了解产品
品牌站
搜索
首页
了解产品
资讯动态
品牌站
下载中心
首页
>
了解产品
>
液压元件 液压阀
>
流量控制阀
>
分流阀
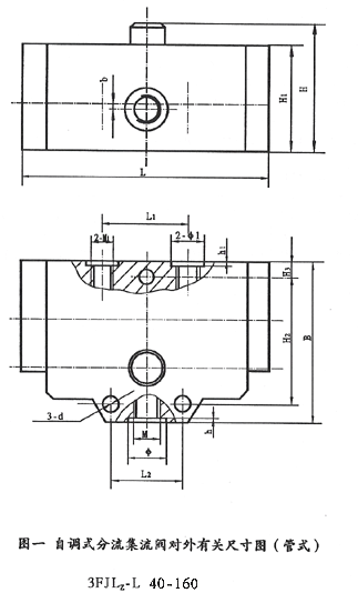
3FJLZ-L40-160,分流集流阀
点击图片查看原图
型号:
3FJLZ-L40-160,
PDF下载:
如需产品详细说明请与销售客服联系
浏览次数:
1071
公司基本资料信息
联系人
销售员 1017(先生)
电话
13861877712
地区
江苏-无锡市
地址
无锡市会北路28-135
详细说明
3FJLZ-L40-160,分流集流阀,生产厂家,
3FJL
Z
-L40~160
名称:自调式分流集流阀
流量范围:40L/min~160L/min
压力等级:C级 14MPa 、D级 21MPa 、H级 31.5MPa 同步精度:0.5%~1%
更多
>
本企业其它产品
DF3-3,DF3-6,DF3-8,DF
3FJLHL-B63-185,组合
3FJLHL-L63-185,组合
3FJLZ-L2-16,3FJLZ-L1
3FJLZ-L40-160,分流集
3FJLZB-B2-16,3FJLZB-
3FJLGB-L63,3FJLGB-L1
3FJLGC-L25,3FJLGC-L4
0
条
相关评论