手机版
二维码
欢迎访问昌林自动化官方网站!
了解产品
品牌站
搜索
首页
了解产品
资讯动态
品牌站
下载中心
首页
>
了解产品
>
气动器材 气动阀
>
控制元件
>
单向/节流阀
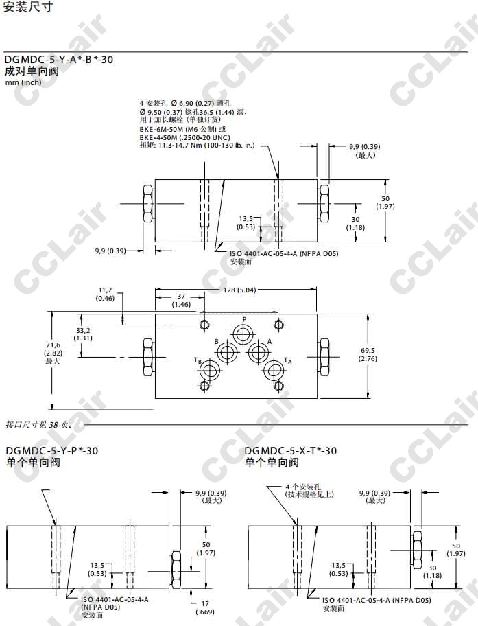
DGMDC-5,DGMDC-5-X-BK-30,DGMDC-5-X-TK-30,DGMDC-5-X-TK-30,叠加单向阀
点击图片查看原图
型号:
DGMDC-5,DGMDC-5-X-BK-30,DGMDC-5-X-TK-30,DGMDC-5-X-TK-30,
PDF下载:
如需产品详细说明请与销售客服联系
浏览次数:
309
公司基本资料信息
联系人
销售员1105
未注册
邮件
4006770998@b.qq.com
电话
0510-82320796
手机
13861709898
地区
江苏 无锡市
地址
江苏省九州娱乐ts111下载 A3001
详细说明
DGMDC-5,DGMDC-5-X-BK-30,DGMDC-5-X-TK-30,DGMDC-5-X-TK-30,叠加单向阀
DGMDC-5-Y-PK-30,DGMDC-5-Y-PK-30,DGMDC-5-Y-AK-30,DGMDC-5-Y-AK-30,DGMDC-5-Y-BK-30,DGMDC-5-Y-BK-30,
DGMDC-5-Y-AM-30,DGMDC-5-Y-AM-30,DGMDC-5-Y-AK-BK-30,DGMDC-5-Y-AK-BK-30,
更多
>
本企业其它产品
DGMDC-5,DGMDC-5-X-BK
0
条
相关评论