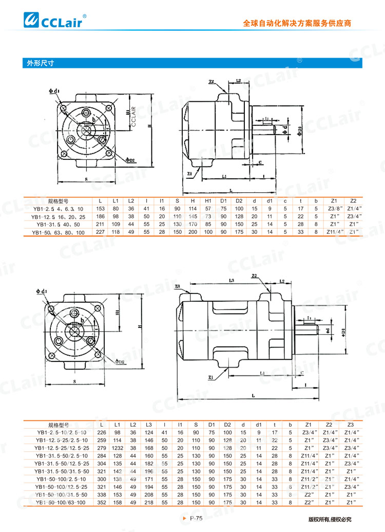
YB1-2.5,YB1-4,YB1-6.3,YB1-10,YB1-12.5,YB1-16,YB1-20,YB1-25,YB1-31.5,YB1-40,YB1-50,YB1-63,YB1-80,YB1- |
 点击图片查看原图
|
|
| 型号: |
YB1-2.5,YB1-4,YB1-6.3,YB1-10,YB1-12.5,YB1-16,YB1-20,YB1-25,YB1-31.5,YB1-40,YB1-50,YB1-63,YB1-80,YB1 |
| PDF下载: |
产品详细说明请点击下载 |
| 浏览次数: |
1519 |
|
|
|
|
公司基本资料信息
|