手机版
二维码
欢迎访问昌林自动化官方网站!
了解产品
品牌站
搜索
首页
了解产品
资讯动态
品牌站
下载中心
首页
>
了解产品
>
气动器材 气动阀
>
控制元件
>
安全双联阀
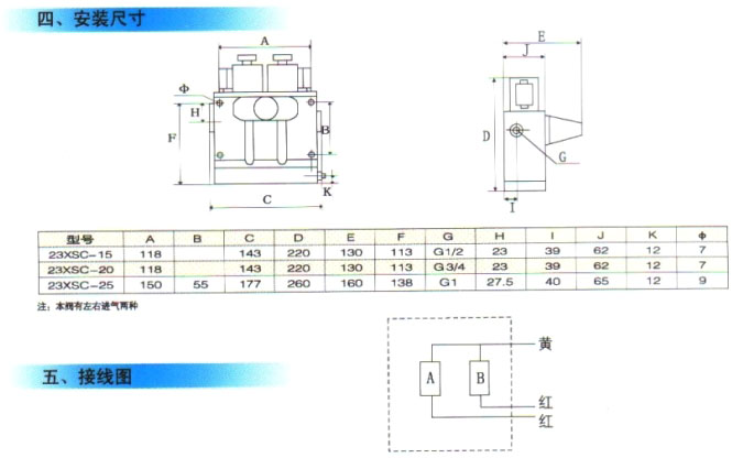
K23JSD-L15,K23JSD-L20,K23JSD-L25,K23JSD-L32,K23JSD-L40,无锡款双联阀
点击图片查看原图
型号:
23XSC-15,23XSC-20,23XSC-25
PDF下载:
如需产品详细说明请与销售客服联系
浏览次数:
965
公司基本资料信息
联系人
销售员 1433(先生)
邮件
958980522@qq.com
电话
13812199898
地区
江苏-无锡市
地址
无锡市会北路28-135
详细说明
23XSC-15,23XSC-20,23XSC-25,交叉流动型双联阀
K23JSD-L15,K23JSD-L20,K23JSD-L25,K23JSD-L32,K23JSD-L40,无锡款双联阀
更多
>
本企业其它产品
K23JSD-L15,K23JSD-L
24XJ-10,24XJ-15,24XJ
XP-20H,XP-20L,XP-8H,
TK-4J,TK-6J,TK-8J,TK
23XSD-15,23XSD-20,23
XF-8,XF-10,XF-15,XF-
23XSJ-32,23XSJ-40,23
23XJ-15,23XJ-20,23XJ
0
条
相关评论